SUNWAY电磁阀DEO-0C13-24DC 0C10 11 14 15 DEO-0B31/2液压换向阀










DEO-0B1/2A-24DC
DEO-0B31/2-24DC
DEO-0C10-24DC
DEO-0C11-24DC
DEO-0C13-24DC
DEO-0C14-24DC
DEO-0C15-24DC
DEO-0C16-24DC
DEO-0C51/2-24DC
DEO-0C51/2-24DC
DFO-1C10-24DC
DFO-1C10-24DC HY
DHO-0B31/2-* 12V/24V线圈
DHO-0C11-* 12V/24V线圈
DHO-0C13-* 12V/24V线圈
DHO-0C14-* 12V/24V线圈
DLKZOR-TEB-SN-NP-140
SPRM6-A-0B1-S5/24
SPRM6-A-0C1-S3/24
SWRPEH10-C4B-100L-G24/A1

DEO-0C13 为10 通径(C13)电磁换向阀,属方向控制阀,用于液压系统中控制执行元件的换向、启停与速度切换。采用ISO 4401 标准安装面,叠加式集成安装,无需外接配管,系统布局紧凑、泄漏少、可靠性高。
一、型号释义
- DEO:系列代号,电磁换向阀(叠加式)
- 0C13:规格 03(10 通径,C13 安装面)
- 后缀:如 24DC 表示线圈电压 DC24V(常见配置)
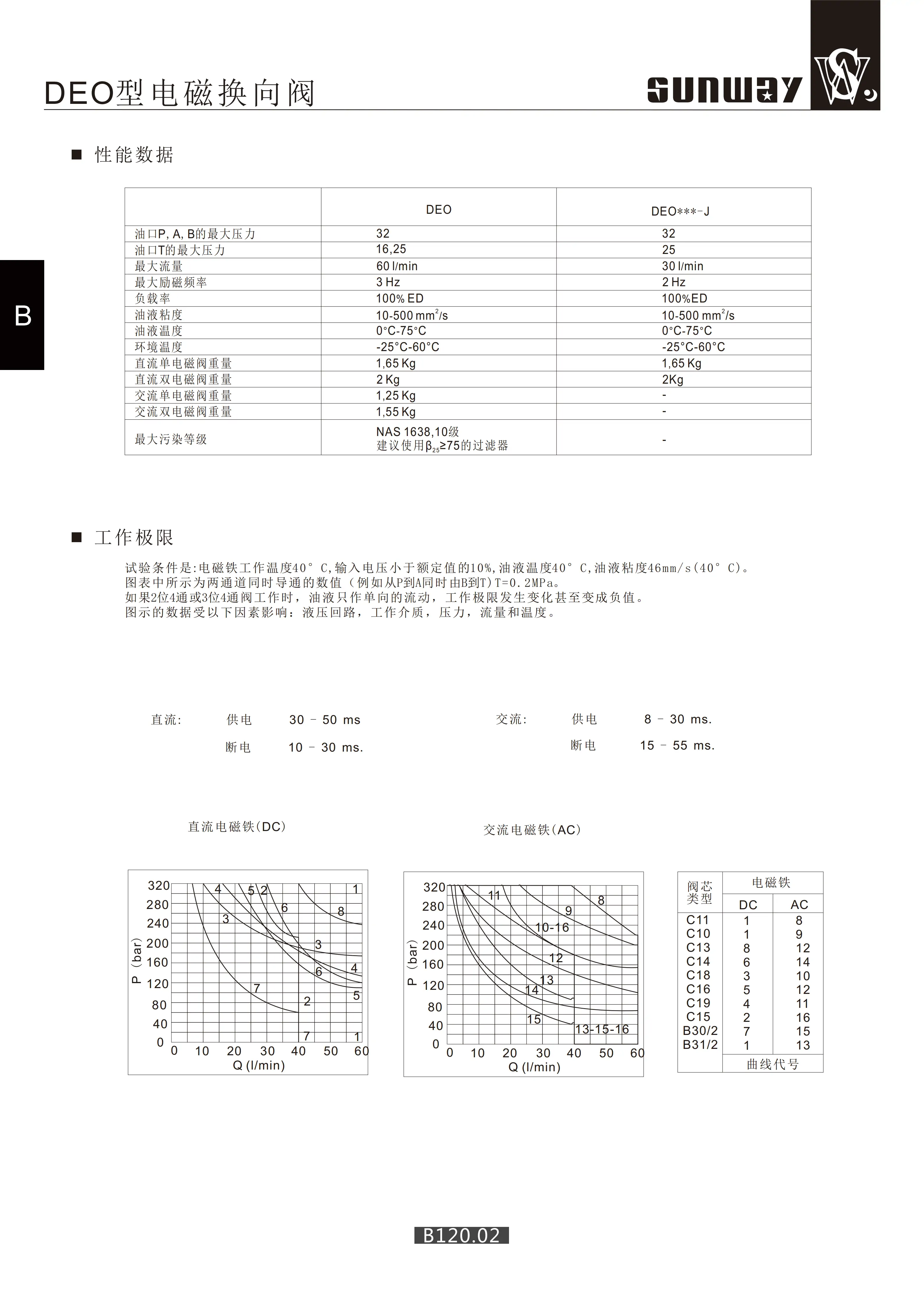
二、核心技术参数(标准型)
| 参数 | 数值 | 备注 |
| 结构形式 | 电磁换向、叠加式、四位 / 三位 | 单 / 双头电磁 |
| 通径规格 | 10 mm(C13 安装面) | 符合 ISO 4401 |
| 额定压力 | 31.5 MPa(315 bar) | 连续工作 |
| 峰值压力 | 35 MPa(350 bar) | 短时 |
| 额定流量 | ≤60 L/min | 按阀芯机能略有差异 |
| 转速范围 | 600–1800 rpm | 推荐 1200–1500 rpm |
| 线圈电压 | DC12/24V;AC110/220V | 按需选型 |
| 工作油温 | 0–+60℃ | 推荐 40–50℃ |
| 适用介质 | ISO VG 32/46 抗磨液压油 | 清洁度 ≤NAS 9 级 |
| 油口螺纹 | P/T 口:G1/2";A/B 口:G3/8" | 公制螺纹 |
| 安装方式 | 叠加式、板式安装 | 多阀叠装共用螺栓 |
| 重量 | 约 2.5–3.0 kg / 联 | 不含安装附件 |
三、结构与工作原理
1. 主要结构
- 阀体:铸铁集成油腔,P(进油)、T(回油)、A/B(工作油口)
- 阀芯组件:阀芯、复位弹簧、密封件
- 电磁线圈:衔铁、线圈、防尘套
- 叠加连接:O 型圈密封,螺栓夹紧,多阀串联成回路
2. 工作原理
- 电磁铁得电:线圈吸合衔铁,推动阀芯移动,切换油路
- 阀芯复位:失电后弹簧复位,阀芯回到中位(停止供油)
- 中位机能:O/Y/P/T 等多种可选,决定停机时油路通断
四、性能特点
- ✅ 标准互换:C13 安装面兼容主流 10 通径阀组,更换维护便捷
- ✅ 集成高效:叠加安装减少管路,降低泄漏与振动
- ✅ 响应快速:电磁驱动,换向时间短(≤0.1s)
- ✅ 适配广泛:可与叠加式溢流阀、减压阀、节流阀组合,构建复杂液压回路
五、选型要点
- 压力匹配:系统连续压力 ≤31.5 MPa,避免超压
- 流量校核:按 Q = 阀芯机能对应流量上限选型,防止流量不足
- 电压选择:DC24V 适用于工业现场(抗干扰),AC220V 适用于高功率场景
- 中位机能:O 型:停机保压(常用)Y 型:停机卸压P 型:进油保压、回油卸压
- 安装匹配:与其他叠加阀(如溢流阀、节流阀)规格一致,确保安装面兼容
六、常见故障与排除
| 故障 | 原因 | 对策 |
| 换向不动作 | 线圈烧毁、电源故障、阀芯卡滞 | 换线圈、查供电、清洗阀芯 |
| 泄漏严重 | O 型圈老化、螺栓松动 | 换密封圈、均匀紧固螺栓 |
| 压力上不去 | 阀芯磨损、内泄大 | 检修或更换阀芯组件 |
| 噪声大 | 吸空、油液脏、线圈松动 | 查吸油回路、换油、固定线圈 |
| 换向冲击大 | 流量过大、未加节流 | 加装节流阀、降低流量 |
七、典型应用
- 工业液压:机床、注塑机、液压站、工程机械
- 轻工机械:包装、纺织、木工设备
- 自动化设备:流水线、机械手、液压工装
本文由苏州逐利机电整理发布,如需转载请浏览来源及出处,原文地址:http://www.tw-joly.com/yyyb/812.html






留言信息