SUNWAY变量叶片泵CVUP-40/PA CVUP-30/PA CVUP-20/PA










DEO-0B1/2A-24DC
DEO-0B31/2-24DC
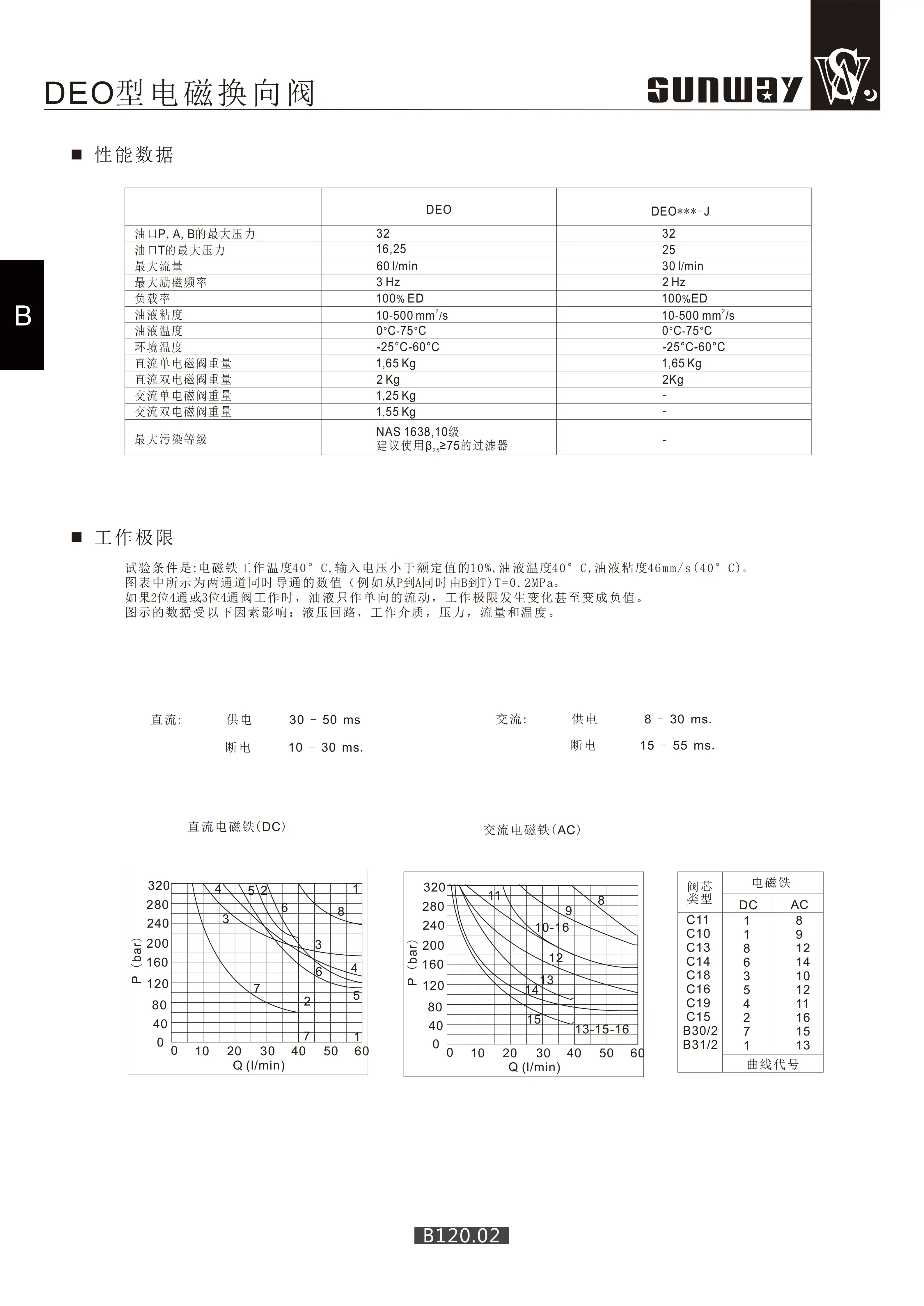
DEO-0C10-24DC
DEO-0C11-24DC
DEO-0C13-24DC
DEO-0C14-24DC
DEO-0C15-24DC
DEO-0C16-24DC
DEO-0C51/2-24DC
DEO-0C51/2-24DC
DFO-1C10-24DC
DFO-1C10-24DC HY
DHO-0B31/2-* 12V/24V线圈
DHO-0C11-* 12V/24V线圈
DHO-0C13-* 12V/24V线圈
DHO-0C14-* 12V/24V线圈
DLKZOR-TEB-SN-NP-140
SPRM6-A-0B1-S5/24
SPRM6-A-0C1-S3/24
SWRPEH10-C4B-100L-G24/A1

CVUP-30 是低压 / 中压、直联式、可变流量叶片泵,常用于 4~7 MPa 液压系统,主打低压大流量、低噪、结构简单、价格经济。
一、型号释义
- CVUP:系列代号,低压变量叶片泵(直联型)
- 30:几何排量 30 mL/rev
二、核心技术参数(标准型)
| 参数 | 数值 | 备注 |
| 结构形式 | 单级、变量叶片、压力补偿 | 直联 / 法兰可选 |
| 理论排量 | 30 mL/rev | 最大几何排量 |
| 额定压力 | 4\7 MPa(40\70 bar) | 出厂约 5 MPa |
| 峰值压力 | 8 MPa(80 bar) | 短时最高 |
| 转速范围 | 600~1800 rpm | 推荐 1200~1500 rpm |
| 最大流量 | 54 L/min @1800 rpm | 空载低压 |
| 驱动功率 | 7.5 kW @1500 rpm、7 MPa | 参考值 |
| 工作油温 | 0℃ ~ +60℃ | 推荐 40~50℃ |
| 适用介质 | ISO VG 32/46 抗磨液压油 | 粘度 15~60 cSt |
| 油口规格 | 吸油口 G1 1/4",出油口 G3/4" | 螺纹连接 |
| 旋转方向 | 顺时针(轴端视) | 逆时针可定制 |
| 安装方式 | 直联式(C)/ 法兰式(F) | 可选 |
| 重量 | 约 14 kg | 不含电机、联轴器 |
三、结构与工作原理
1. 主要结构
- 泵体:铝合金 / 铸铁,集成吸 / 排油腔
- 转子 - 叶片 - 定子:10~12 片叶片,转子偏心;定子可径向移动,由压力弹簧控制
- 配流盘:单侧配流,结构简单、成本低
- 压力补偿阀:弹簧、阀芯、控制油口
2. 工作原理(压力补偿变量)
- 低压大流量:系统压力<调定值→弹簧推定子至最大偏心→全排量输出
- 中压减流:压力升至调定值→压力油压缩弹簧→定子偏心减小→流量下降
- 高压保护:压力超峰值→内置溢流阀打开,保护泵与系统
四、性能特点
- ✅ 低压高效:4~7 MPa 区间效率高,适合低压大流量工况
- ✅ 低噪经济:叶片数多、脉动小、噪声≤62 dB;结构简单、价格低
- ✅ 安装灵活:直联 / 法兰可选,适配小型液压站
- ✅ 维护简便:零件少、拆装容易,对油液污染度要求低(≤NAS 9 级)
五、选型要点
- 压力匹配:连续压力≤7 MPa,峰值≤8 MPa,避免超压
- 流量计算:Q = 30 × n ÷ 1000(n = 转速 rpm)例:1500 rpm → Q=45 L/min
- 转速控制:最低≥600 rpm(防吸空),最高≤1800 rpm(防气蚀)
- 压力设定:按系统最大工作压力 + 10% 余量调节
- 油液要求:清洁度≤40 μm,油温≤60℃
六、常见故障与排除
| 故障 | 原因 | 对策 |
| 流量不足 | 转速低、吸油漏气、滤芯堵塞、叶片磨损 | 提速、紧固管路、换滤芯、修泵芯 |
| 压力上不去 | 补偿阀卡滞、内泄大、定子偏心不足 | 清洗控制阀、研磨配流盘、调整弹簧 |
| 噪声大 | 吸空、油液脏、叶片卡滞、安装不同心 | 查吸油回路、换油、清叶片、校正同轴度 |
| 温升过高 | 高压溢流、过载、油液粘度低 | 降压力 / 流量、换高粘度油 |
七、典型应用
- 工业液压:小型注塑机、机床、液压站、输送带
- 轻工机械:纺织、包装、木工设备
- 其他:低压液压系统、替代齿轮泵(低噪需求)
本文由苏州逐利机电整理发布,如需转载请浏览来源及出处,原文地址:http://www.tw-joly.com/yyyb/811.html






留言信息