SUNWAY变量叶片泵HVP-1A-F30A-A3 HVP-1A-F40-A4/A3/A2/A1










DEO-0B1/2A-24DC
DEO-0B31/2-24DC
DEO-0C10-24DC
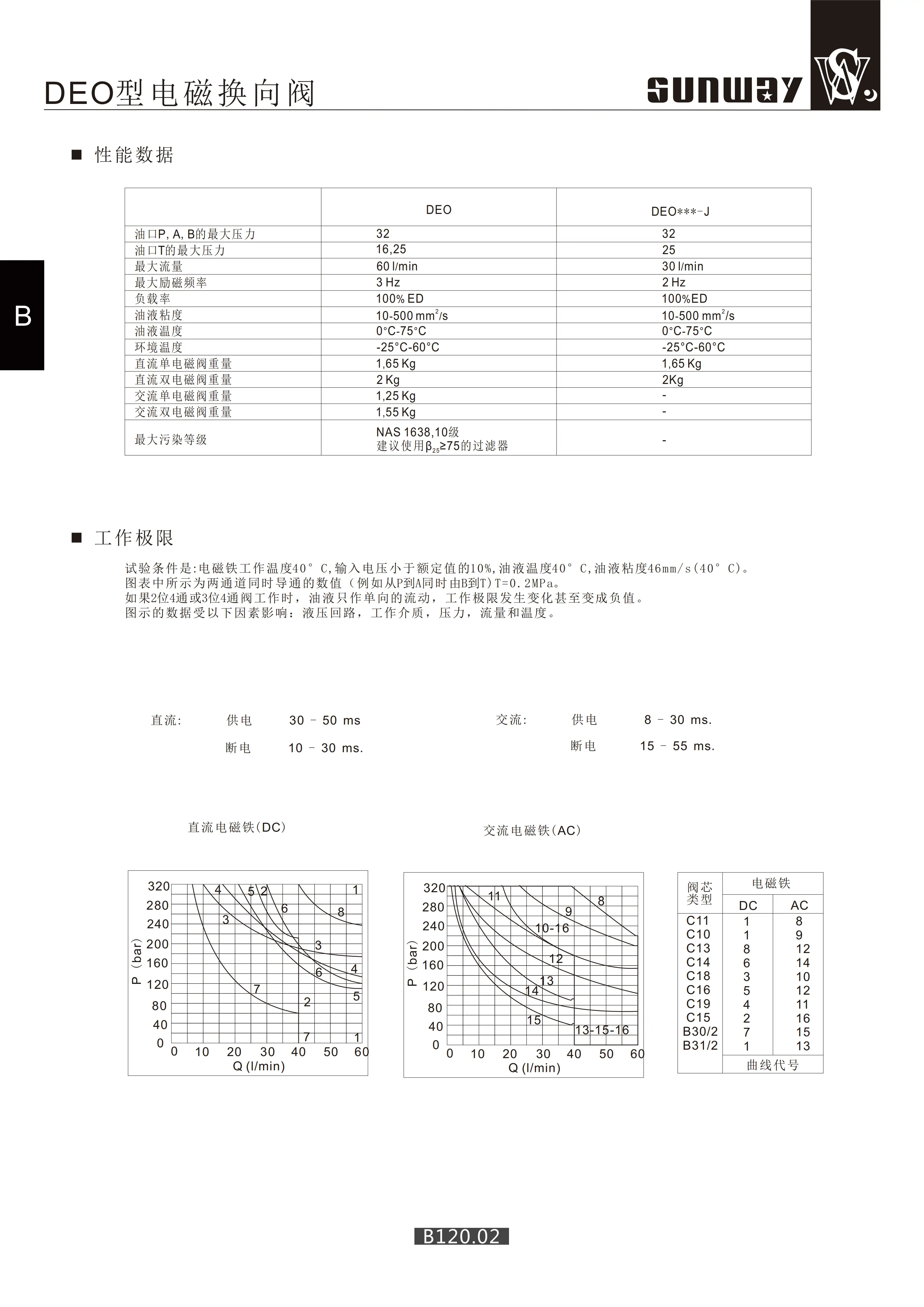
DEO-0C11-24DC
DEO-0C13-24DC
DEO-0C14-24DC
DEO-0C15-24DC
DEO-0C16-24DC
DEO-0C51/2-24DC
DEO-0C51/2-24DC
DFO-1C10-24DC
DFO-1C10-24DC HY
DHO-0B31/2-* 12V/24V线圈
DHO-0C11-* 12V/24V线圈
DHO-0C13-* 12V/24V线圈
DHO-0C14-* 12V/24V线圈
DLKZOR-TEB-SN-NP-140
SPRM6-A-0B1-S5/24
SPRM6-A-0C1-S3/24
SWRPEH10-C4B-100L-G24/A1

HVP-1A-F30 是中高压、法兰安装、恒压变量叶片泵,常用于 7~14 MPa 工业液压系统,主打节能、低噪、结构紧凑、压力可调。
一、型号释义
- HVP:系列代号,中高压恒压变量叶片泵
- 1A:泵芯规格 / 控制方式(1A = 标准恒压、法兰式)
- F30:几何排量 30 mL/rev
二、核心技术参数(标准型)
| 参数 | 数值 | 备注 |
| 结构形式 | 单级、变量叶片、恒压控制 | 法兰安装 |
| 理论排量 | 30 mL/rev | 最大几何排量 |
| 额定压力 | 7\14 MPa(70\140 bar) | 可调,出厂约 10 MPa |
| 峰值压力 | 16 MPa(160 bar) | 短时最高 |
| 转速范围 | 800~1800 rpm | 推荐 1200~1500 rpm |
| 最大流量 | 54 L/min @1800 rpm | 空载低压 |
| 驱动功率 | 15.7 kW @1500 rpm、14 MPa | 参考值 |
| 工作油温 | 0℃ ~ +60℃ | 推荐 40~50℃ |
| 适用介质 | ISO VG 32/46 抗磨液压油 | 粘度 15~60 cSt |
| 油口规格 | 吸油口 G1 1/4",出油口 G3/4" | 法兰 / 螺纹可选 |
| 旋转方向 | 顺时针(轴端视) | 逆时针可定制 |
| 安装方式 | 法兰式(F) | SAE-B 标准 |
| 重量 | 约 18 kg | 不含电机、联轴器 |
三、结构与工作原理
1. 主要结构
- 泵体:高强度铸铁,集成吸 / 排油腔与控制油口
- 转子 - 叶片 - 定子:10 片叶片,转子偏心安装;定子可径向移动,由压力反馈控制
- 配流盘:双侧高压平衡,泄漏低、磨损小
- 恒压控制模块:压力调节阀、弹簧、变量活塞
2. 工作原理(恒压变量)
- 低压大流量:系统压力<调定值→弹簧推定子至最大偏心→全排量输出,执行器快速动作
- 中压恒压:压力升至调定值→压力油推动变量活塞→减小定子偏心→流量下降,维持压力恒定
- 高压保护:压力超峰值→内置溢流阀打开,保护泵与系统
四、性能特点
- ✅ 节能低耗:仅输出负载所需流量,高压时自动减流,省电 30%+
- ✅ 低噪平稳:10 叶片设计,脉动小、噪声低(≤65 dB)
- ✅ 压力可调:7~14 MPa 范围内无级调节,适配不同工况
- ✅ 结构紧凑:法兰直连电机,轴向尺寸短,安装空间小
- ✅ 抗污染强:叶片 - 定子硬对硬摩擦,允许油液污染度≤NAS 8 级
五、选型要点
- 压力匹配:连续压力≤14 MPa,峰值≤16 MPa,避免长期超压
- 流量计算:Q = 30 × n ÷ 1000(n = 转速 rpm)例:1500 rpm → Q=45 L/min
- 转速控制:最低≥800 rpm(防吸空),最高≤1800 rpm(防气蚀)
- 压力设定:按系统最大工作压力 + 10% 余量调节,避免频繁溢流
- 油液要求:清洁度≤25 μm,油温≤60℃,定期换油
六、常见故障与排除
| 故障 | 原因 | 对策 |
| 流量不足 | 转速低、吸油漏气、滤芯堵塞、叶片磨损 | 提速、紧固管路、换滤芯、修泵芯 |
| 压力上不去 | 恒压阀卡滞、内泄大、定子偏心不足 | 清洗控制阀、研磨配流盘、调整弹簧 |
| 噪声大 | 吸空、油液脏、叶片卡滞、安装不同心 | 查吸油回路、换油、清叶片、校正同轴度 |
| 温升过高 | 高压溢流、过载、油液粘度低、散热差 | 降压力 / 流量、换高粘度油、加强散热 |
七、典型应用
- 工业液压:注塑机、机床、压力机、液压站
- 轻工机械:纺织、造纸、包装设备
- 工程机械:小型压机、叉车、升降平台
本文由苏州逐利机电整理发布,如需转载请浏览来源及出处,原文地址:http://www.tw-joly.com/yyyb/810.html






留言信息