JPWORLD沃特液压KHG2-100-01R-VPC齿轮泵KHG2-80/125/160-01R-VPC









CY14-1B型轴向柱塞泵使用禁忌
1、特点此系列轴向柱塞泵是一种靠倾斜盘变量的高压泵,结构紧凑、重量轻、效率高、噪声小、在低于额定转速运转时有一定的自吸能力。注意此系列轴向柱塞泵滑靴及配油盘容易磨损,变量范围小,过滤精度要求高。
2、种类CY14-1 B型轴向柱塞泵由两大部分组成—主体部分和变量机构。四种变量操纵形式的轴向柱塞泵的主体部分相同,仅变量机构不同。
①伺服变量采用液压泵本身输出的高压油控制变量机构,可以用手动或机械等方式操纵伺服机构,以达到变量的目的。
②压力补偿变量采用双弹簧控制泵的流量和压力特性,使两者近似地按恒功率关系变化。
③手动变量采用手轮调节液压泵的流量,液压泵的输出油流不可换向。
④定量倾斜盘固定,没有变量机构。
3、禁忌
①液压泵采用粘度3 -60E的液压油或透平油,正常工作油温为20 - 60 t,为了保持油液清洁,在油箱里的吸、排油管的隔挡之间须装有100 -200目的过滤网,过滤网的面积在流量为1 L/min时不小于5一6cm2,最好在液压系统中装有磁性过滤器或其他过滤器。
②液压泵有自吸能力,可以安装在油箱上面,吸油高度<500mm。但禁止在吸油管上安装讨滤器。为防止吸真空,也可以采用压力补油。该泵也适合于安装在油箱里面。
③液压泵适于各种安装方式。如果安装在油箱外面,则可按所选用的电动机型号来设计支座,泵和电动机的中心高度必须一緻。泵和电动机之间用弹性联轴器相连接,两轴应力求同心;严禁将带轮或齿轮直接装在泵的传动轴上;泵和电动机的公共基础或底座应具有足够的刚度。
④作液压马达使用时,须特别注意液压泵中配油盘的安装,定位销永远插在销孔内。
⑤改变液压泵出厂时的旋转方向,则定位销必须插在对应的销孔内。
⑥起动前必须通过回油口向泵体内灌满纯洁的工作油液,否则将使泵烧坏。
KHG0系列:
KHG0-10-01R-VPC KHG0-08-01R-VPC KHG0-13-01R-VPC KHG0-16-01R-VPC KHG0-20-01R-VPC
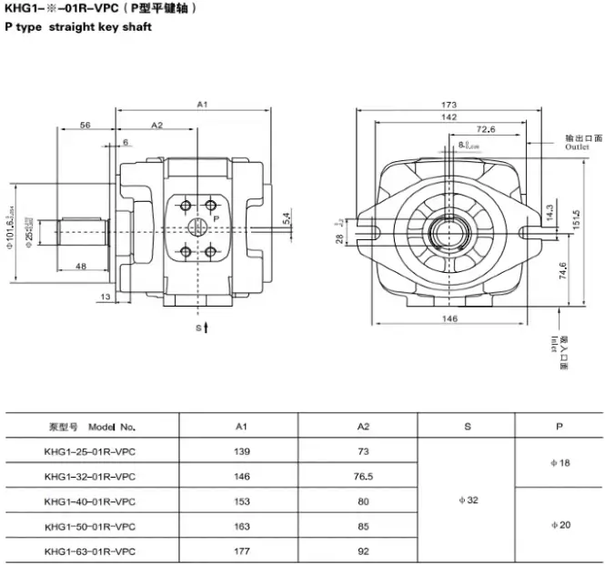
KHG1系列:
KHG1-25-01R-VPC KHG1-32-01R-VPC KHG1-40-01R-VPC KHG1-50-01R-VPC KHG1-63-01R-VPC
KHG2系列:
KHG2-63-01R-VPC KHG2-80-01R-VPC KHG2-100-01R-VPC KHG2-125-01R-VPC KHG2-145-01R-VPC KHG2-160-01R-VPC
本文由苏州逐利机电整理发布,如需转载请浏览来源及出处,原文地址:http://www.tw-joly.com/yyyb/147.html






留言信息