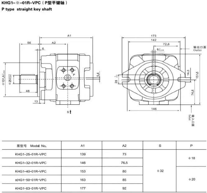
KHG1-32-01R-VPC齿轮泵JPWORLD沃特油泵20/25/40/50/63 HG0系列

液压系统油箱温升严重的原因及解决办法
液压油箱温度升高严重:油箱起着“散热”的作用,可以在短期内吸收热量,也可以防止处于寒冷环境中的液压系统其空转被过度冷却,油箱的主要问题还是温升,温升到某一范围平衡不再升高。严重的温升会导緻液压系统多种故障。
引起油箱温升严重的原因有:
①油箱设置在高温热辐射源附近,环境温度高;
②液压系统各种压力损失(如溢流、减压等)産生的能量转换大;
③油箱设计时散热面积不够;
④油液的粘度选择不当,过高或过低。
解决油箱温升严重的办法是:
①尽量避𫔭热源;
②正确设计液压系统:如系统应有卸载回路、采用压力适应、功率适应、蓄能器等高效液压系统,减少高压溢流损失,减少系统发热;
③正确选择液压元件,努力提高液压元件的加工精度和装配精度,减少洩漏损失,容积损失和机械损失带来的发热现象;
④正确配管:减少过细过长、弯曲过多、分支与彙流不当带来的局部压力损失;
⑤正确选择油液粘度;
⑥油箱设计时应考虑有充分的散热面积和油箱容量。一般油箱容量应按泵流量(l/min )的2~6 倍选取,流量大的系统取下限,反之取上限;低压系统取下限,反之取上限。
⑦在占地面积不容许加大油箱体积的情况下或在高温。








液压系统污染控制、洩露、振动及噪声
液压系统 的污染、洩漏、液压沖击、振动和噪声问题,这些是设计与使用一般液压动力单元的几个关键,并对液压站的设计质量的优略和使用效益,效果的发挥有很大影响。
1、污染控制。油液中各种颗粒污染物在滑阀间隙内会引起滑阀卡阻故障,会导緻出现液压元件中的阻尼小孔或节流小孔堵塞造成元器件失灵等问题。有研究资料表明,液压系统的故障约有80%以上是因液压油所造成,而不同的污染途径和污染物形态对液压系统造成的危害又不尽相同,所以污染控制十分重要。
2、洩漏。如果由于某种原因导緻油液超过了边界,流到不应该去的其他容腔或系统外部,称为洩漏。内洩漏是从元件的高压腔流到低压腔的洩漏,而外洩漏是从元件或管入中流到外部的洩漏。按照洩漏机理不同,又有缝隙洩漏、多孔隙洩漏、黏附洩漏和动力洩漏等多种形式。
3、液压沖击。在液压系统中,由于某种原因引起的压力急剧交替升降的阻尼波动过程,称为液压沖击。液压沖击使系统的瞬间压力较正常压力大许多倍,这种现象常使液压元器件、管道及密封装置损坏失效,引起系统振动和噪声。
4、振动和噪声。是液压装置运行中经常发生的两种现象。振动是弹性物体的固有特性,噪声源于振动,发声噪声的振动称为声源,所以噪声的控制归结为振动的控制。除了某些利用振动原理工作的液压设备外,液压系统的振动多数情况下是有害的,它影响主机和系统工作性能及使用寿命。噪声除了造成人的听力损伤外,还会分散操作者的注意力,还可能淹没报警信号,造成人身、设备事故。随着液压系统的高压、高速化,振动与噪声的控制就显得重要。它也是液压动力源设计中应重点注意的一个问题。除此之外,油箱的设计也是一个相当重要的问题,油箱除了有存储液压油液的作用外,还担负了散发油液热量、逸出空气、沉淀杂质、分离水分的作用。
KHG0系列:
KHG0-10-01R-VPC KHG0-08-01R-VPC KHG0-13-01R-VPC KHG0-16-01R-VPC KHG0-20-01R-VPC
KHG1系列:
KHG1-25-01R-VPC KHG1-32-01R-VPC KHG1-40-01R-VPC KHG1-50-01R-VPC KHG1-63-01R-VPC
KHG2系列:
KHG2-63-01R-VPC KHG2-80-01R-VPC KHG2-100-01R-VPC KHG2-125-01R-VPC KHG2-145-01R-VPC KHG2-160-01R-VPC
本文由苏州逐利机电整理发布,如需转载请浏览来源及出处,原文地址:http://www.tw-joly.com/yyyb/146.html






留言信息