沃特JPWORLD HG2-125-01R-VPC-36 80/100/160 内啮合 伺服 齿轮泵









叶片泵概述及选择原则
一、叶片泵概述
①叶片泵分单作用非卸荷式(即转子转一圈,隻有一次吸油与压油过程)和双作用卸荷式(即转子转一圈,有两次吸油与压油过程)两种。前者转子和轴受单向力,承受较大弯矩,故称非卸荷式。后者的吸油孔与压油孔都是径向相对的,轴隻受转矩,不受弯矩,故称卸荷式。
单作用式叶片泵,由于可以采用改变定子和转子间偏心距的方法来调节流量,所以一般适宜做成变量泵。但相对运动部件多,洩漏较大,调节不便,不适于高压。
双作用叶片泵隻能做成定量泵。它压力较高,输油较均匀,应用广泛。定量叶片泵可以制成单级、双级(两个泵的油路串联,压力为单级泵的两倍)、双联(两个泵的油路并联,采用共同轴传动,可获得多种流量)以及複合叶片泵(双联叶片泵加上控制阀组合而成)。
②叶片泵结构紧凑,外形尺寸小,运转平稳,输油量均匀,脉动及噪声较小,耐久性好,使用寿命长,价格较柱塞泵便宜。
③叶片泵效率一般比齿轮泵高。吸油高度一般不大于500mm。
④叶片泵一般用于中、快速度,作用力中等的液压系统中。中、小流量的叶片泵常用在节流调节的液压系统里;为了避免过大损失,大流量的叶片泵隻用在非调节的液压系统里,常见的工作场合有机床、油压机、起重运输机械、工程机械、塑料注射机等。
二、叶片泵选择原则
①根据液压系统使用压力来选择叶片泵若系统常用工作压力在10MPa以下,可选用YB1系列或YB-D型叶片泵;若常用工作压力在10MPa以上,应选用高压叶片泵。
②根据系统对噪声的要求选泵一般来说,叶片泵的噪声较低,且双作用叶片泵的噪声又比单作用泵(即变量叶片泵)的噪声低。若主机要求泵噪声低,则应选低噪声的叶片泵。
③从工作可靠性和寿命来考虑双作用叶片泵的寿命较长,如YB1系列叶片泵的寿命在1万h以上,而单作用叶片泵、柱塞泵和齿轮泵的寿命就较短。
④考虑污染因素叶片泵抗污染能力较差,不如齿轮泵。若系统过滤条件较好,油箱又是密封的,则可以选用叶片泵。否则应选用齿轮泵或其他抗污染能力强的泵。
⑤从节能角度考虑为了节省能量,减少功率消耗,应选用变量泵,最好选用比例压力、流量控制变量叶片泵。采用双联泵甚至三联泵也是节能的一种方案。
⑥考虑价格因素价格是一个市要的因素。在保证系统可靠一工作的条件下,为降低成本,应选用价格较低的泵。在选择变量泵或双联泵时,除了从节能方面进行比较外,还应从成本等多方面进行分析比较。
KHG0系列:
KHG0-10-01R-VPC KHG0-08-01R-VPC KHG0-13-01R-VPC KHG0-16-01R-VPC KHG0-20-01R-VPC
KHG1系列:
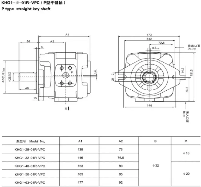
KHG1-25-01R-VPC KHG1-32-01R-VPC KHG1-40-01R-VPC KHG1-50-01R-VPC KHG1-63-01R-VPC
KHG2系列:
KHG2-63-01R-VPC KHG2-80-01R-VPC KHG2-100-01R-VPC KHG2-125-01R-VPC KHG2-145-01R-VPC KHG2-160-01R-VPC
本文由苏州逐利机电整理发布,如需转载请浏览来源及出处,原文地址:http://www.tw-joly.com/yyyb/148.html






留言信息