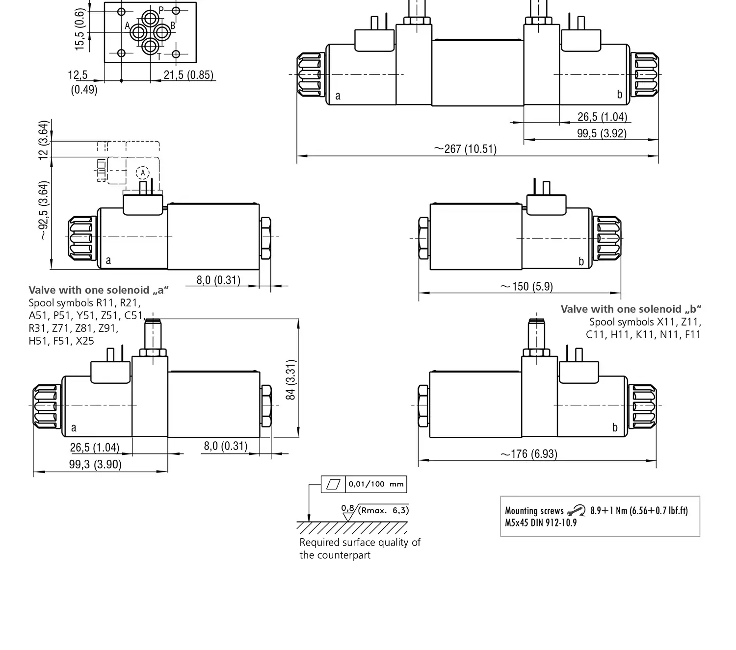
雅歌辉托斯ARGO液压阀RPE3-062R11/02400E1电磁换向阀RPE3-062X11






RPE3- 063Y11/02400E1,RPE3- 063Z11/02400E1
RPE3- 062R11/02400E1,RPE3- 062X11/02400E1
RPE3- 063Y11/02700E1,RPE3-063H11 交流110V
RPE3- 063H11/02400E1,RPE3- 063Y11/01200E1
RPE3- 063Z11/01200E1,RPE3-062R11/02300E1
RPE3-063H11/01200E1,RPE3- 063Y11/02400E1-A
RPE3-063C11/02400E1K1/M,RPE3-062R11/23050E5-A
RPE3-063H11/23050E5,RPE3-063C11/01200E1
RPE3- 063Z11/02400E1-A,RPE3-063Z11/02400E1
RPEW4-063Z11/02400EW1K50,RPE3-062Y51/02400E1K1
RPE3-062Z11/02400E1,RPE3- 063Y11/23000E1
RPE3-062X11/20500E1,RPE3-062X11/20500E1带防水线
RPE3-062R11/02400E1,RPE3-062X11/02400E1
RPE3-062X11/02400E1K1,RPE3-063Y11/02400E1
16211500-C22B-20500E1-线圈,RPE3-063Y11/02400E1T1V
RPE3-042R91/02400E1,RPE3-063C11/02400E1
RPE3-062X11/01200E1,RPE3-063H11/02400E1
RPE3-062R11/01200E1,RPE3-062Z51/02700E1
205V线圈配2米防水插头线,RPE3-062H51/02400E1T1-A
RPE3-063Z11/01200E1,RPE3-062X11/02700E1-A
RPE3-062R11/20500E1,RPE3-062R21/01200E1
RPE3-062R21/02400E1,RPE3-062R21/20500E1
RPE3-062Z11/01200E1,RPE3-062Z11/20500E1
RPE3-062A51/02400E1,RPE3-062A51/20500E1
RPE3-062Z51/02400E1,RPE3-062H51/02400E1
RPE3-062H51/20500E1
液压系统电液伺服阀的应用
目前电液伺服阀的代表性产品有喷嘴挡板式、射流管式、动圈式(VCD式)、高频直动电磁铁式等类型,主要发展动向是产品多样化、高可靠性和高动、静态特性。
(1)直动型电液伺服阀用永磁式力马达、动圈式力马达(VCD式)或高频电磁铁驱动阀心,其位移由位置传感器进行检测,由内置电子线路对主阀心进行闭环控制。该阀具有耐污染能力强、可靠性高等优点,已开始得到广泛应用。
(2)射流管式双级电液伺服阀的主阀心位移用差动变压器进行反馈,由内置电子放大器对阀心进行闭环控制。耐污染能力强,而且具有故障保险功能,当意外断电时,可保证设备处于安全位置,广泛用于军品和汽轮机等主机。

(3)喷嘴挡板力反馈和电反馈的双级电液伺服阀。其中电反馈喷嘴挡板阀的第二级主阀由差动变压器进行位置反馈,提高了阀的频响和减少了波形失真度。大流量伺服阀标准的双级喷嘴挡板阀控制三级阀心,阀心由位移传感器进行反馈。
(4)内置放大器的电液伺服阀可提高电液伺服系统的工作可靠性,减少因接插件故障使系统失效,同时可适用于分散控制系统,便于安装维护。
(5)用新材料提高产品寿命。德国有关公司用红宝石材料制作喷嘴挡板,防止因气馈造成挡板和喷嘴的损伤,而降低动静态性能,使工作寿命缩短。机械反馈杆头部的小球也用红宝石制作,防止小球和阀心小槽之间的磨损,使阀失控,并产生尖叫。随着现代制造技术的不断提高,伺服阀的关键零件阀心和阀套都采用电加工,线电极切割加工方孔(控制刃边),从而使所生产的阀的直线性、死区、滞环都达到输入信号的0.2%~0.5%之间
本文由苏州逐利机电整理发布,如需转载请浏览来源及出处,原文地址:http://www.tw-joly.com/yyf/448.html






留言信息