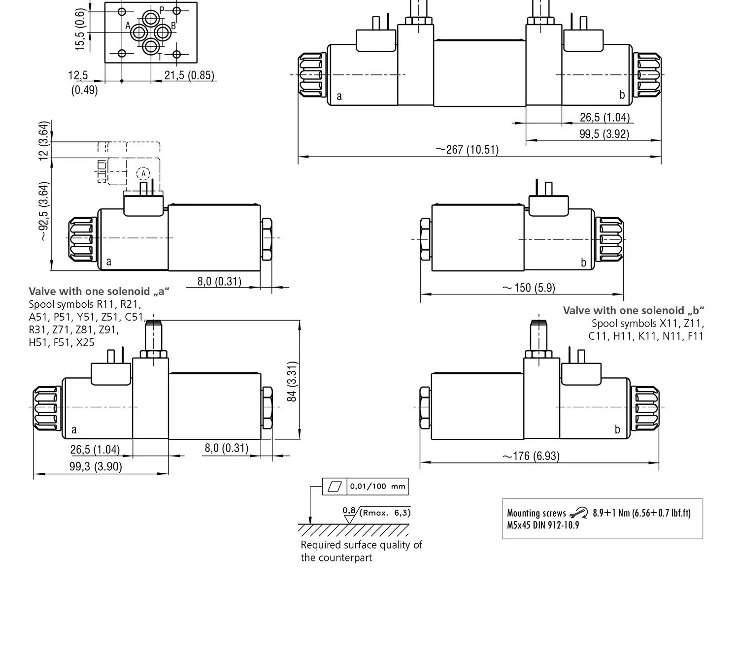
雅歌辉托斯ARGO电磁阀RPE3-062R11/02400E1 RPE3-062X11液压阀






RPE3- 063Y11/02400E1,RPE3- 063Z11/02400E1
RPE3- 062R11/02400E1,RPE3- 062X11/02400E1
RPE3- 063Y11/02700E1,RPE3-063H11 交流110V
RPE3- 063H11/02400E1,RPE3- 063Y11/01200E1
RPE3- 063Z11/01200E1,RPE3-062R11/02300E1
RPE3-063H11/01200E1,RPE3- 063Y11/02400E1-A
RPE3-063C11/02400E1K1/M,RPE3-062R11/23050E5-A
RPE3-063H11/23050E5,RPE3-063C11/01200E1
RPE3- 063Z11/02400E1-A,RPE3-063Z11/02400E1
RPEW4-063Z11/02400EW1K50,RPE3-062Y51/02400E1K1
RPE3-062Z11/02400E1,RPE3- 063Y11/23000E1
RPE3-062X11/20500E1,RPE3-062X11/20500E1带防水线
RPE3-062R11/02400E1,RPE3-062X11/02400E1
RPE3-062X11/02400E1K1,RPE3-063Y11/02400E1
16211500-C22B-20500E1-线圈,RPE3-063Y11/02400E1T1V
RPE3-042R91/02400E1,RPE3-063C11/02400E1
RPE3-062X11/01200E1,RPE3-063H11/02400E1
RPE3-062R11/01200E1,RPE3-062Z51/02700E1
205V线圈配2米防水插头线,RPE3-062H51/02400E1T1-A
RPE3-063Z11/01200E1,RPE3-062X11/02700E1-A
RPE3-062R11/20500E1,RPE3-062R21/01200E1
RPE3-062R21/02400E1,RPE3-062R21/20500E1
RPE3-062Z11/01200E1,RPE3-062Z11/20500E1
RPE3-062A51/02400E1,RPE3-062A51/20500E1
RPE3-062Z51/02400E1,RPE3-062H51/02400E1
RPE3-062H51/20500E1
如需其它型号请联系客服
液压系统吸油过滤器的技术性能分析
1、吸油过滤器清洗或更换滤芯方便:当滤芯需清洗或更换时,即可方便地打开过滤器上盖,取出滤芯及随同集污盅进行清洗或更换,清洗或更换后再放入,装好盖便可投入使用。
2、吸油过滤器安装连接方便:本过滤器可安装在油箱盖板上面或侧面,过滤器的滤头露于油箱外,吸油管从油箱上面或侧面插入油面,出油口与泵吸油口相连接,25~160L/min规格设有组合活动法兰,连接高度可以上下调节,从而实现油箱全封闭,进一步防止污染物进入油箱。

3、吸油过滤器具有滤芯堵塞发讯器:本发讯器安装在过滤器的头盖上,当滤芯逐步堵塞时,可从发讯器的目测镜面上观察到过滤器的出口真空度及污染情况,同时还可接电发讯。
4、吸油过滤器具有积污盅:工作介质流经滤芯腔内将其中超过滤芯过滤精度的污染物阻挡在滤芯腔内,并集中在积污盅内。需清洗或更换滤芯时。积污盅随滤芯一同带出,滤除的污染物不会出现因更换滤芯时重新掉入油箱。
5、吸油过滤器具有旁通阀:当滤芯被污染物堵塞到出油口真空度,发讯器便发出信号,应及时更换或清洗滤芯。若此时不能马上停机或无人来更换滤芯,设在滤芯上部的油路旁通阀会自动开启,以避免油泵出现吸空等故障。
本文由苏州逐利机电整理发布,如需转载请浏览来源及出处,原文地址:http://www.tw-joly.com/yyf/447.html






留言信息