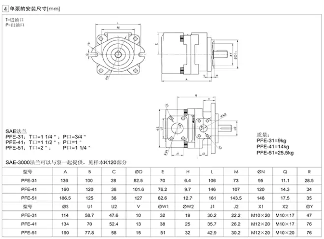
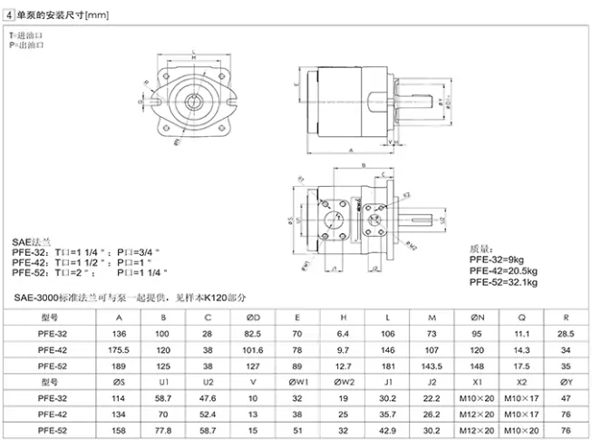
PFE-31016/22/28/36/44/1DT/DV/DW/DU 20 阿托斯叶片泵/Atos油泵
电液伺服控制器原理
由于伺服阀马达绕组匝数较多,具有很大的感抗,所以伺服放大器必须是具有深度电流负反馈的放大器,隻有极少响应较慢的系统才用电压反馈的放大器。电流负反馈放大器输出阻抗比较大,放大器和伺服阀线圈组成了一个一阶滞后环节,输出阻抗大,那么这个一阶环节的频率高,对伺服阀的频带就不会有太大的影响。不同的伺服系统对伺服放大器有各种不同的要求,例如不同的校正环节,不同的增益范围及其他功能。但爲了确保伺服阀的正常使用,阀对放大器还提出:放大器要带有限流功能,确保放大器最大输出电流不至于烧坏线圈或不至引起阀的其他失败。伺服阀应能耐受2倍额定电流的负荷。
要有一个输出调零电位器,因爲伺服阀一般允许2%的零偏及工况不同的零漂,在伺服阀寿命期内零偏允差可到5%~6%,所以调零机构要可调1%的额定电流输出值,某些伺服阀和系统还要求放大器带有颤振信号发生电路。
输出端不要有过大的旁路电容或洩漏电容,避免与伺服阀线圈感抗一起産生不希望的谐振。
伺服阀线圈与放大器的连接,推荐并联接法,此法可靠性高而且具有最小的电感值。
电液伺服控制器包括误差比较器、校正放大器、反相及增益控制、功率放大器、颤振信号源、显示器、电源等。

某电液伺服控制系统结构原理如图1所示。
由图1可以看出,电液伺服控制器的主要功能是将电液控制系统的力矩信号和角位置信号进行调理送人计算机的A/D,同时将计算机D/A输出的控制信号(伺服阀控制信号)进行转换和放大,去驱动伺服阀按要求运动。系统的特点是;
1、力矩传感器感受的力矩信号比较微弱,输出信号爲毫伏级,经过传输线后进入调理电路引入很大干扰,故除了对其功率放大和调零外,另加入滤波电路。
2、爲了保证电液伺服控制器的可扩展性,还设计了标准输入和标准输出接口。
3、配置了显示仪表以实现实时监测电液伺服系统工作情况的目的。
在此以电液伺服阀FFl02驱动放大电路、显示电路及位移传感器调理电路爲例介绍其结构原理。







PFE 31028/ 5DW
PFE-31016/1DT 20 PFE-31016/1DU
PFE-31022/1DT 20 PFE-31022-1DU
PFE-31028/ 1DT PFE-31028/1DT 20
PFE-31036/1DT PFE-31036/1DT 20
PFE-31044/1DT 20 PFE-31044/5DT PFE-31044-1DT
PFE-32036/3DT 20 PFE-32036/3DU 20
PFE-41029/1DT
PFE-41045/1DT 20
PFE-41070-10V
PFE-41085/10D PFE-41085/1DT 20
PFE-42045/3DW 20
PFE-42056/3DT PFE-42056/3DT 20
PFE-51090/1DT PFE-51090-1DT
PFE-51150/1DT 20
PFED 54110/045/1 DVO
PFED-43045/016/1DTA PFED-43045/028-1DT0 PFED-43045/044/1DTO
PFED-43070/028/1DWB20 PFED-43070/044/1DV0 20
PFED-43085/016 PFED-43085/016/1DVO 20 PFED-43085/022 PFED-43085/028 PFED-43085/036
PFED-43085/044 PFED-43085/044/1DUO 20
PFED-54110/037/1DTO
本文由苏州逐利机电整理发布,如需转载请浏览来源及出处,原文地址:http://www.tw-joly.com/yyyb/210.html






留言信息