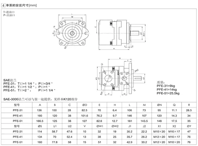
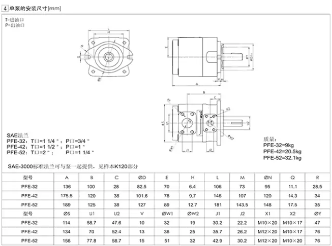
ATOS阿托斯定量叶片泵PFE-31010/1DT PFE-41029 PFE-51090液压泵
内曲线径向柱塞式液压马达的选用及使用事项
内曲线径向柱塞式液压马达是一种多用途低速大转矩液压马达,具有尺寸小、重量轻、转矩脉动小、径向力平衡、啓动效率高,并能在很低的速度下稳定地运转等优点。
一、选用的原则
1、在内曲线径向柱塞式液压马达的典型结构中,以横梁式内曲线径向柱塞式液压马达及球塞式内曲线径向柱塞式液压马达的使用比较普遍。当转矩比较大时,可选用横梁式内曲线径向柱塞式液压马达,对于比较小的转矩,可任选两者之一。
2、内曲线径向柱塞式液压马达适用于低速大转矩的传动装置中,如果参数适当,则可以不用齿轮箱减速而直接传力,节省减速器的费用,而且体积小,结构紧凑,安装方便。
3、对于输出轴承受径向力的场合,隻能选择横梁式内曲线径向柱塞式液压马达,球塞式内曲线径向柱塞式液压马达在一般情况下因不能承受此力,故不能选用。
4、对于系统压力较高的场合,例如,大于16MPa时,适宜选用横梁式内曲线径向柱塞式液压马达,小于该压力则可根据需要任意选择两者之一。

二、使用时应注意的事项
1、内曲线径向柱塞式液压马达在使用前应向壳体内灌满清洁的工作液,以保证滚轮副等的润滑。
2、内曲线径向柱塞式液压马达使用时必须保证一定的背压,以避免滚轮副脱离导轨而引起撞击,而且应随着转速的提高而提高背压压力,具体背压值应根据使用说明书上的规定。
3、内曲线径向柱塞式液压马达微调机构的作用是使配油处于特佳工况,以避免産生敲轨现象。该微调机构一般在出厂时已经调好,非特殊情况不要随便调动。
4、内曲线径向柱塞式液压马达的外洩漏管要求接回油箱,若与回油管路相连,则须保证其压力不超过一个大气压。
5、内曲线径向柱塞式液压马达的进出油管在配油轴上时,应采用一段高压软管连接,以保证配油轴本身在配油套内处于浮动状态,防止配油轴和配油套卡死。
6、液压系统中的工作油液应严格保持清洁,过滤精度不低于25μm。
7、横梁式内曲线径向柱塞式液压马达的输出轴容许承受径向力,其最大值不超过使用说明书的规定值。球塞式内曲线径向柱塞式液压马达的输出轴无轴承支撑时,则不能承受径向力。
8、JDM型径向柱塞式液压马达使用时应注意以下几点。
①液压马达在低于5~20r/min时会産生爬行现象,故对低速均匀性要求高的机械不宜使用。
②液压马达采用4~8°E50(50℃的恩氏黏度)的纯淨矿物油,推荐采用68号全损耗系统用油。工作油温一般爲20~50℃。工作油中不允许含有直径大于0.05mm的固体杂质。
③液压马达允许在最大压力22MPa下运转,但连续运转时间必须减小到每小时运转6min。
④液压马达与负载轴连接时,两轴线务必同轴。液压马达有3个溢流孔,使用时接最高位置的溢流孔,馀者堵死。溢流压力不超过0.1MPa。
9、内曲线径向柱塞式液压马达出油口应具有0.5~1MPa左右的背压。
内曲线径向柱塞式液压马达是一种不可逆的液压元件,其出油口应具有0.5~1MPa左右的背压。避免滚轮副脱离导轨而引起噪声、撞击和零件损坏等现象。







PFE 31028/ 5DW
PFE-31016/1DT 20 PFE-31016/1DU
PFE-31022/1DT 20 PFE-31022-1DU
PFE-31028/ 1DT PFE-31028/1DT 20
PFE-31036/1DT PFE-31036/1DT 20
PFE-31044/1DT 20 PFE-31044/5DT PFE-31044-1DT
PFE-32036/3DT 20 PFE-32036/3DU 20
PFE-41029/1DT
PFE-41045/1DT 20
PFE-41070-10V
PFE-41085/10D PFE-41085/1DT 20
PFE-42045/3DW 20
PFE-42056/3DT PFE-42056/3DT 20
PFE-51090/1DT PFE-51090-1DT
PFE-51150/1DT 20
PFED 54110/045/1 DVO
PFED-43045/016/1DTA PFED-43045/028-1DT0 PFED-43045/044/1DTO
PFED-43070/028/1DWB20 PFED-43070/044/1DV0 20
PFED-43085/016 PFED-43085/016/1DVO 20 PFED-43085/022 PFED-43085/028 PFED-43085/036
PFED-43085/044 PFED-43085/044/1DUO 20
PFED-54110/037/1DTO
本文由苏州逐利机电整理发布,如需转载请浏览来源及出处,原文地址:http://www.tw-joly.com/yyyb/205.html






留言信息