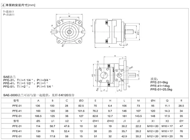
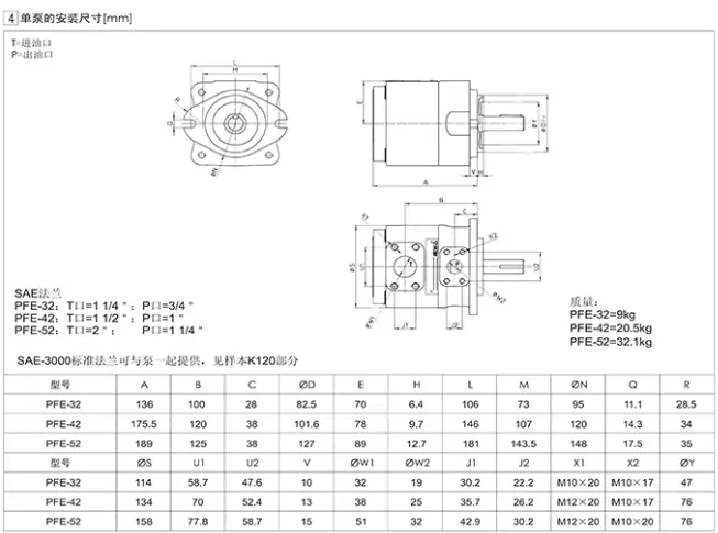
意大利ATOS阿托斯 PFE-31010/1DT PFE-41029 PFE-51090定量叶片泵
聊聊液压系统故障诊断
液压传动系统由于其独特的优点,即具有广泛的工艺适应性、优良的控制性能和较低廉的成本,在各个领域中获得愈来愈广泛的应用。但由于客观上元、辅件质量不稳定和主观上使用、维护不当,且系统中各元件和工作液体都是在封闭油路内工作,不像机械设备那样直观,也不像电气设备那样可利用各种检测仪器方便地测量各种参数。
液压设备中,仅靠有限几个压力表、流量计等来指示系统某些部位的工作参数,其他参数难以测量,而且一般故障根源有许多种可能,这给液压系统故障诊断带来一定困难。
在生産现场,由于受生産计划和技术条件的制约,要求故障诊断人员准确、简便和高效地诊断出液压设备的故障;要求维修人员利用现有的信息和现场的技术条件,尽可能减少拆装工作量,节省维修工时和费用,用简便的技术手段,在尽可能短的时间内准确地找出故障部位和发生故障的原因并加以修理,使系统恢複正常运行,并力求今后不再发生同样故障。
目前查找液压系统故障的传统方法是逻辑分析逐步逼近诊断。此法的基本思路是综合分析、条件判断。即维修人员通过观察、听、触摸和简单的测试以及对液压系统的理解,凭经验来判断故障发生的原因。当液压系统出现故障时,故障根源有许多种可能。采用逻辑代数方法,将可能故障原因列表,然后根据先易后难原则逐一进行逻辑判断,逐项逼近,最终找出故障原因和引起故障的具体条件。

此法在故障诊断过程中要求维修人员具有液压系统基础知识和较强的分析能力,方可保证诊断的效率和准确性。但诊断过程较烦琐,须经过大量的检查、验证工作,而且隻能是定性地分析,诊断的故障原因不够准确。爲减少系统故障检测的盲目性和经验性以及拆装工作量,传统的故障诊断方法已远不能满足现代液压系统的要求。
近年来,随着液压系统向大型化、连续生産、自动控制方向发展,叉出现了多种现代故障诊断方法。如铁谱技术诊断,可从油液中分离出来的各种磨粒的数量、形状、尺寸、成分以及分布规律等情况,及时、准确地判断出系统中元件的磨损部位、形式、程度等;而且可对液压油进行定量的污染分析和评价,做到在线检测和故障预防。再如基于人工智能的专家诊断系统,它通过计算机模仿在某一领域内有经验专家解决问题的方法,将故障现象通过人机接口输入计算机,计算机根据输入的现象以及知识库中的知识,可推算出引起故障的原因,然后通过人机接口输出该原因,并提出维修方案或预防措施。这些方法给液压系统故障诊断带来广阔的前景,给液压系统故障诊断自动化奠定了基础。但这些方法大都需要昂贵的检测设备和複杂的传感控制系统和计算机处理系统,有些方法研究起来有一定困难。目前不适应于现场推广使用。







PFE 31028/ 5DW
PFE-31016/1DT 20 PFE-31016/1DU
PFE-31022/1DT 20 PFE-31022-1DU
PFE-31028/ 1DT PFE-31028/1DT 20
PFE-31036/1DT PFE-31036/1DT 20
PFE-31044/1DT 20 PFE-31044/5DT PFE-31044-1DT
PFE-32036/3DT 20 PFE-32036/3DU 20
PFE-41029/1DT
PFE-41045/1DT 20
PFE-41070-10V
PFE-41085/10D PFE-41085/1DT 20
PFE-42045/3DW 20
PFE-42056/3DT PFE-42056/3DT 20
PFE-51090/1DT PFE-51090-1DT
PFE-51150/1DT 20
PFED 54110/045/1 DVO
PFED-43045/016/1DTA PFED-43045/028-1DT0 PFED-43045/044/1DTO
PFED-43070/028/1DWB20 PFED-43070/044/1DV0 20
PFED-43085/016 PFED-43085/016/1DVO 20 PFED-43085/022 PFED-43085/028 PFED-43085/036
PFED-43085/044 PFED-43085/044/1DUO 20
PFED-54110/037/1DTO
本文由苏州逐利机电整理发布,如需转载请浏览来源及出处,原文地址:http://www.tw-joly.com/yyyb/203.html






留言信息