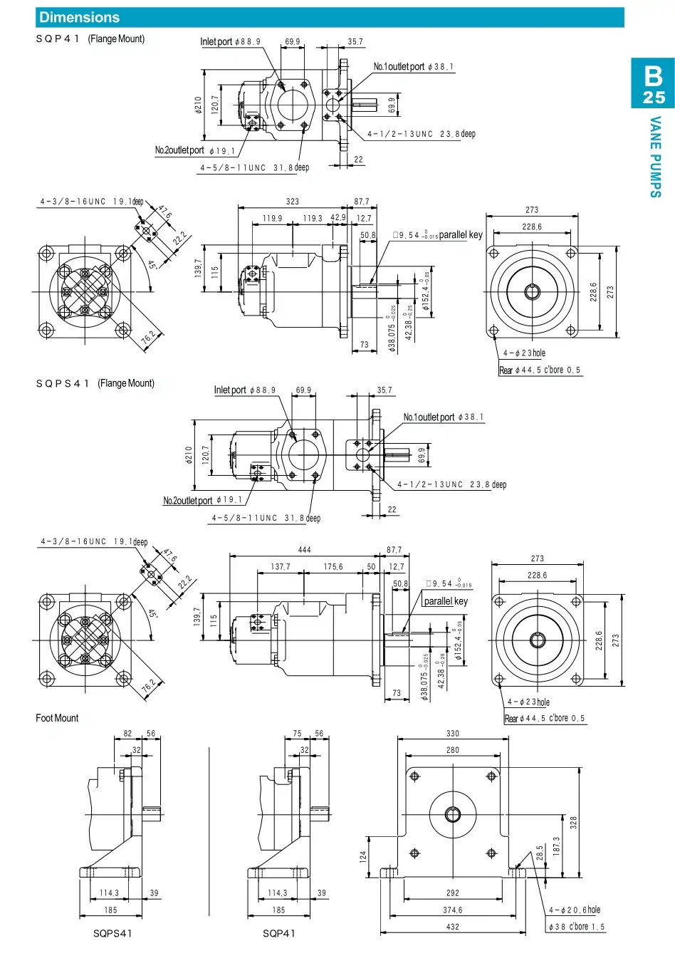
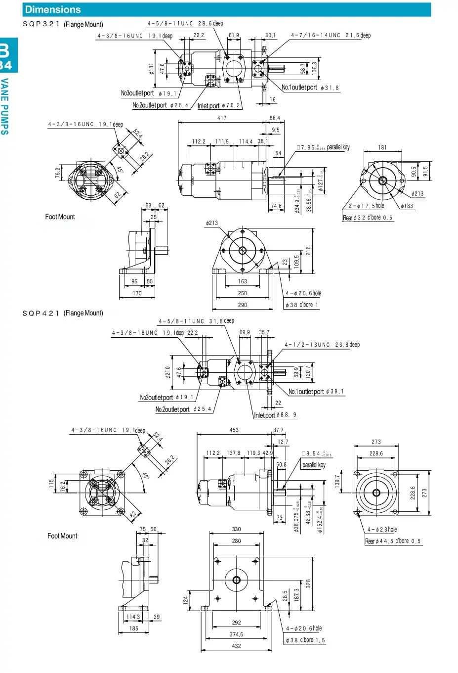
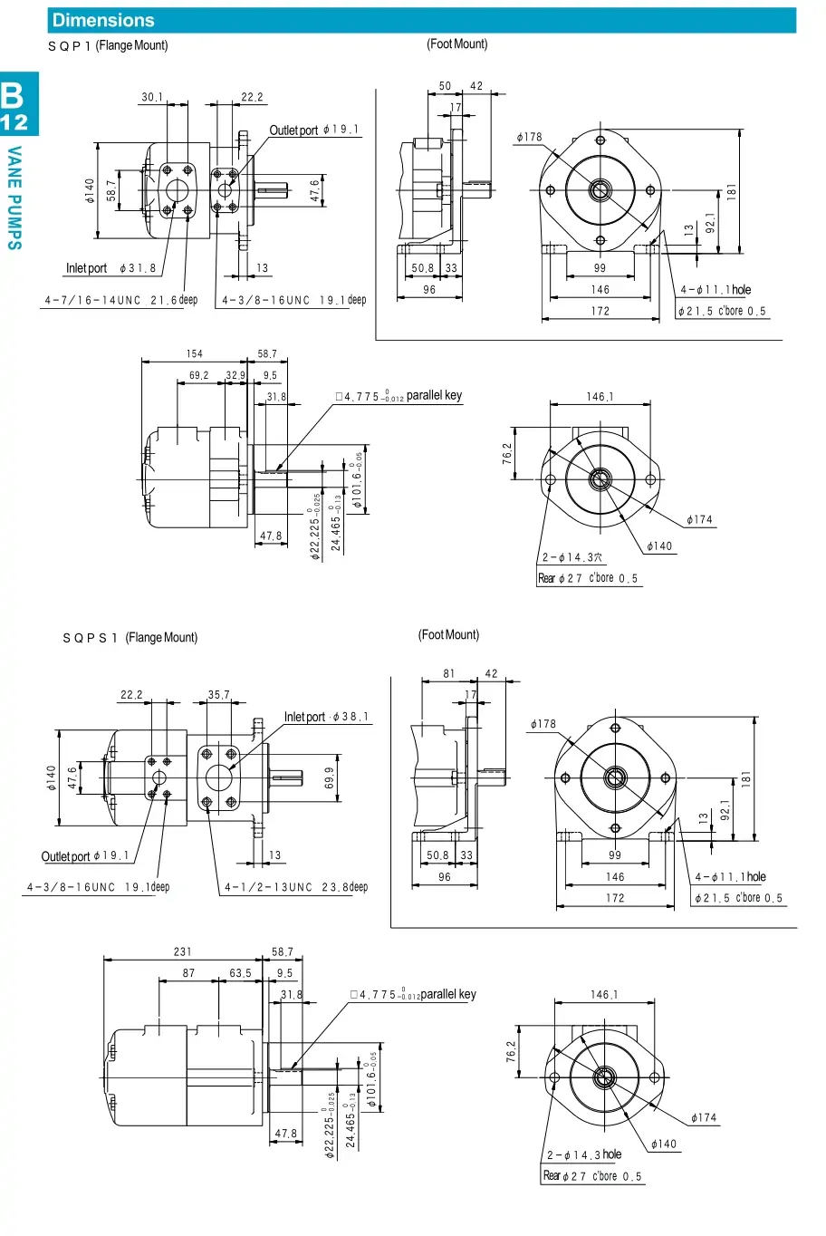
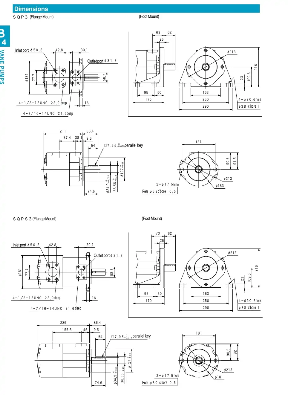
注塑机TOKYO KEIKI高压油泵东京计器叶片泵SQP1-7-86C-18泵芯配件








16V 系列:16V-LS-11-ECG-210-10-S100-J
1HP 系列:1HP-P8VMR
45VQEPCG 系列:45VQEPCG2-03-35-Y-L-13-S20
4C2M 系列:4C2M-3-30-JA-S2,4C2M-3-30-JA-S3
4CG 系列:4CG-03-DA-20-JA-S100-J
4V 系列:4V-3-2A-M-P2-D-7-54
ABT 系列:ABT-03-10-JA-J
BLG 系列:BLG-02,BLG-3
C2G 系列:C2G-805-JA-11,C2G-805-K,C2G-805-S12-JA-11,C2G-825-JA-S52
C2M 系列:C2M-3C-30-JA
C 系列:C-552-E,C-552-K,C-572-E,C-572-K
C5G 系列:C5G-815-JA,C5G-825-JA-J,C5G-825-K,C5G-825-S3-K
C5PG 系列:C5PG-815-10-S45
CG 系列:CG-03-C-15-S81-JA,CG-06-C-40-JA-J
CGFNM 系列:CGFNM-3A-30-5AFNM-3B-30-JAC2PG
CGR 系列:CGR-02-FK-20-JA-JRG,CGR-02-FK-20-JA-JRG-06-F1-22-JA-SIOO-J
C-KIT 系列:C-KIT-FOR-P31V,C-KIT-SQP1-11
COM 系列:COM-2C-70-AN-10-S4,COM-3,COM-3-2C-30-AN-11,COM-3-2C-30-CH-11,COM-3-2C-30-CH-11-S4,COM-3-33C-30-CH-11,COM-3-33C-30-CH-11-S4,COM-3-33C-30-SH-11,COM-5,COM-5-2C-70-AN-10,COM-5-2C-70-CH-10-S3,COM-5-33C-70-AN-10,COM-5-33C-70-CH-10-S7,COM-7-2C-130-AN-E-10-S40,COM-7-2C-130-CH-T-10,COM-7-31C-130-CH-T-10-S7,COM-8-33C-250-CH-C-E-10,COM-8-33C-250-CH-T-10
Counterbalance Valves 系列:Counterbalance Valves
CR 系列:CR-19-3P0-30-JA-J,CR-23-2P7-30-JA-J
CRG 系列:CRG-01-F-JA-10-J
CT 系列:CT-03-F-JA-10-S81-J,CT-06-F-40-JA-J
CV1 系列:CV1-63-D20-3-M-10-JA
CVSH 系列:CVSH-01-11,CVSH-01-K,CVSH-3-10
CVU 系列:CVU-16-C3-B29-W-350-10,CVU-16-C3-J39-W-350-10-JA,CVU-16-C3-J39-W-350-10-JA100
D-CG 系列:D-CG-02-C-250-20
D-DFG 系列:D-DFG-31-03-2C-EX-40-63-1-20,D-DFG-31-03-2C-EX-70-63-20
DEFG 系列:DEFG31-04-3C-EX-130-11-S2,DEFG31-04-R66D-EX-130-10-S4,DEFG31-06-20C-EX-250-11,DEFG31-10-20C-EX-500-10,DEFG34-10-20C-EX-500-10
DEFRG 系列:DEFRG21-04-R100-E-100-10-S3
D-FG 系列:D-FG-02-EX-65-250-20-S119
DG17V 系列:DG17V-7-6C-10-JA-S9,DG17V-7-6C-1-21-JA-S9B
DG20S 系列:DG20S-3-22A-P-20-S13,DG20S-3-2A-L11-S10,DG20S-3-2A-P-20-S18
DG2S4 系列:DG2S4-012A-50-LH-JA-S36
DG3S 系列:DG3S-10
DG3V 系列:DG3V-7,DG3V-H8,DG3V-H8-2C-1-T-12-JA-Z
DG4M4 系列:DG4M4,DG4M4-100V,DG4M4-200V,DG4M4-20-32C-M14-JA,DG4M4-220V,DG4M4-24V,DG4M4-30C-20-JA,DG4M4-30C-24DC-20-JA,DG4M4-30C-24DC-JA,DG4M4-3-20-JA,DG4M4-32-20-JA,DG4M4-32-20-M12-JA,DG4M4-32A-100AC-20-JA,DG4M4-32A-20-JA,DG4M4-32A-20-JA-AC100V,DG4M4-32A-20-JATDM-16074,DG4M4-32A-24DC-20-JA,DG4M4-32B-20-LH-100AC,DG4M4-32B-20-LH-100AC-JA-S46,DG4M4-32C-20-JA,DG4M4-32C-24DC-20-JA,DG4M4-36C-20-24DC-JA,DG4M4-36C-20-5A,DG4M4-36C-20-JA,DG4M4-36C-20-JA-24DC,DG4M4-36C-24DC-20-JA
DG4SM 系列:DG4SM-3,DG4SM-3-0BL-P7-H-54,DG4SM-3-0B-P7-H-54,DG4SM-3-0C-P7-H-54,DG4SM-3-24AL-P7-H-54,DG4SM-3-24A-P7-H-54,DG4SM-3-2AL-P7-H-54,DG4SM-3-2A-P7-H-54,DG4SM-3-2A-P7-H-56,DG4SM-3-2BL-P7-H-54,DG4SM-3-2B-P7-H-54,DG4SM-3-2C-P7-H-52,DG4SM-3-2C-P7-H-54,DG4SM-3-2C-P7-H-56,DG4SM-3-2N-P7-H-54,DG4SM-3-2N-P7-H-56,DG4SM-3-31BL-P7-H-54,DG4SM-3-31B-P7-H-54,DG4SM-3-31C-P7-H-54,DG4SM-3-33BL-P7-H-54,DG4SM-3-33B-P7-H-54,DG4SM-3-33C-P7-H-52,DG4SM-3-33C-P7-H-54,DG4SM-3-33C-P7-H-PC1-52,DG4SM-3-3BL-P7-H-54,DG4SM-3-3B-P7-H-54,DG4SM-3-3C-P7-H-54,DG4SM-3-6BL-P7-H-54,DG4SM-3-6B-P7-H-54,DG4SM-3-6C-P7-H-52,DG4SM-3-6C-P7-H-54,DG4SM-3-6C-P7-H-PC1-52,DG4SM-3-6C-P7-H-PC1-54,DG4SM-3-7BL-P7-H-54,DG4SM-3-7B-P7-H-54,DG4SM-3-7C-P7-H-54
DG4V 系列:DG4V-3,DG4V-3-0AL-M-P7-H-7-52,DG4V-3-0AL-M-P7-H-7-54,DG4V-3-0AL-MU-H7-60,DG4V-3-0A-M-P2-T-7-54,DG4V-3-0A-M-P2-V-7-54,DG4V-3-0A-M-P7-H-7-52,DG4V-3-0A-M-P7-H-7-54,DG4V-3-0BL-M-P2-B-7-54,DG4V-3-0BL-M-P2-D-7-54,DG4V-3-0BL-M-P2-T-7-54,DG4V-3-0BL-M-P2-V-7-54,DG4V-3-0BL-M-P7-H-7-52,DG4V-3-0BL-M-P7-H-7-54,DG4V-3-0BL-M-P7-T-7-54,DG4V-3-0BL-M-U1-H-7-54,DG4V-3-0BL-M-U1-V-7-54,DG4V-3-0BL-M-U2-H-7-54,DG4V-3-0BL-M-U2-V-7-54,DG4V-3-0BL-M-U7H-52-K,DG4V-3-0BL-M-U7-H-7-54,DG4V-3-0BL-M-U7-V-7-54,DG4V-3-0B-M-P2-B-7-54,DG4V-3-0B-M-P2-D-7-54,DG4V-3-0B-M-P2-T-7-54,DG4V-3-0B-M-P2-V-7-54,DG4V-3-0B-M-P2-V-T,DG4V-3-0B-M-P2-V-T-52,DG4V-3-0B-M-P7-H-7-40,DG4V-3-0B-M-P7-H-7-52,DG4V-3-0B-M-P7-H-7-54,DG4V-3-0B-M-P7-H-P10-54,DG4V-3-0B-M-P7-T-7-54,DG4V-3-0B-M-U1-H-7-54,DG4V-3-0B-M-U1-V-7-54,DG4V-3-0B-M-U2-H-7-54,DG4V-3-0B-M-U2-V-7-54,DG4V-3-0B-M-U7-H-7-54,DG4V-3-0B-M-U7-V-7-54,DG4V-3-0C-M-P2-B-7-54,DG4V-3-0C-M-P2-D-7-54,DG4V-3-0C-M-P2-T-7-54,DG4V-3-0C-M-P2-V-7-54,DG4V-3-0C-M-P2-V-7-P12-54,DG4V-3-0C-M-P3-V-T-P12-52,DG4V-3-0C-M-P7-H-54,DG4V-3-0C-M-P7-H-7-54,DG4V-3-0C-M-P7-H-7-P12-54,DG4V-3-0C-M-P7-T-7-54,DG4V-3-0C-M-U1-H-7-54,DG4V-3-0C-M-U1-T-7-54,DG4V-3-0C-M-U1-V-7-54,DG4V-3-0C-M-U2-H-7-54,DG4V-3-0C-M-U2-V-7-54,DG4V-3-0C-M-U7-H-7-54,DG4V-3-0C-M-U7-V-7-54,DG4V-3-0N-M-P7-H-7-54,DG4V-3-0N-M-U1-T-7-54,DG4V-3-1BL-M-P7-H-7-52,DG4V-3-1BL-M-P7-H-7-54,DG4V-3-1B-M-P7-H-7-52,DG4V-3-1B-M-P7-H-7-54,DG4V-3-1B-M-U7-H-7-54,DG4V-3-1C-M-P7-H-7-54,DG4V-3-1C-M-U1-T-7-54,DG4V-3-22AL-M-P7-H-7-52,DG4V-3-22AL-M-P7-H-7-54,DG4V-3-22A-M-P2-B-7-54,DG4V-3-22A-M-P2-D-7-54,DG4V-3-22A-M-P2-T-7-54,DG4V-3-22A-M-P2-V-7-54,DG4V-3-22A-M-P7-H-7-52,DG4V-3-22A-M-P7-H-7-54,DG4V-3-22A-M-P7-T-7-54,DG4V-3-22A-M-U1-H-7-54,DG4V-3-22A-M-U1-V-7-54,DG4V-3-22A-M-U2-H-7-54,DG4V-3-22A-M-U2-V-7-54,DG4V-3-22A-M-U7-H-7-54,DG4V-3-22A-M-U7-V-7-54,DG4V-3-22BL-M-U1-T-7-54,DG4V-3-23AL-M-P7-H-7-52,DG4V-3-23AL-M-P7-H-7-54,DG4V-3-23A-M-P2-B-7-54,DG4V-3-23A-M-P2-D-7-54,DG4V-3-23A-M-P2-T-7-52,DG4V-3-23A-M-P2-T-7-54,DG4V-3-23A-M-P2-T-7-T10-54,DG4V-3-23A-M-P2-V-7-54,DG4V-3-23A-M-P7-H-52,DG4V-3-23A-M-P7-H-7-52,DG4V-3-23A-M-P7-H-7-54,DG4V-3-23A-M-P7-T-54,DG4V-3-23A-M-P7-T-7-52,DG4V-3-23A-M-P7-T-7-54,DG4V-3-23A-M-U1-H-7-54,DG4V-3-23A-M-U1-V-7-54,DG4V-3-23A-M-U2-H-7-54,DG4V-3-23A-M-U2-V-7-54,DG4V-3-23A-M-U7-H-7-54,DG4V-3-23A-M-U7-V-7-54,DG4V-3-24AL-M-P7-H-7-52,DG4V-3-24A-M-P7-H-7-52,DG4V-3-24A-M-P7-H-7-54,DG4V-3-27AL-M-P7-H-7-52,DG4V-3-27A-M-P7-H-7-52,DG4V-3-28AL-M-P7-H-7-52,DG4V-3-28A-M-P7-H-7-52,DG4V-3-2AL-M-P2-B-7-54,DG4V-3-2AL-M-P2-D-7-54,DG4V-3-2AL-M-P2-T-7-52,DG4V-3-2AL-M-P2-T-7-54,DG4V-3-2AL-M-P2-V-7-54,DG4V-3-2AL-M-P7-H7-52,DG4V-3-2AL-M-P7-H-7-52,DG4V-3-2AL-M-P7-H-7-54,DG4V-3-2AL-M-P7-T-7-54,DG4V-3-2AL-M-U1-H-7-54,DG4V-3-2AL-M-U1-V-7-54,DG4V-3-2AL-M-U2-H-7-54,DG4V-3-2AL-M-U2-V-7-54,DG4V-3-2AL-M-U7-H-52-K,DG4V-3-2AL-M-U7-H-7-54,DG4V-3-2AL-M-U7-V-7-54,DG4V-3-2A-M-P2-7-54,DG4V-3-2A-M-P2-B-7-54,DG4V-3-2A-M-P2-D-7-50,DG4V-3-2A-M-P2-D-7-54,DG4V-3-2A-M-P2-T-7-52-JA137,DG4V-3-2A-M-P2-T-7-54,DG4V-3-2A-M-P2-T-7-P10-52,DG4V-3-2A-M-P2-T-7-P10-54,DG4V-3-2A-M-P2-T-P10-54,DG4V-3-2A-M-P2-V-7,DG4V-3-2A-M-P2-V-7-54,DG4V-3-2A-M-P7-H7-52,DG4V-3-2A-M-P7-H-7-52,DG4V-3-2A-M-P7-H-7-54,DG4V-3-2A-M-P7-T-7-52,DG4V-3-2A-M-P7-T-7-54,DG4V-3-2A-M-P7-T-7-54-JA20,DG4V-3-2A-M-U1-H-7-52,DG4V-3-2A-M-U1-H-7-54,DG4V-3-2A-M-U1-V-7-54,DG4V-3-2A-M-U2-H-7-54,DG4V-3-2A-M-U2-V-7-54,DG4V-3-2A-M-U7-H-52-K,DG4V-3-2A-M-U7-H-7-54,DG4V-3-2A-M-U7-V-7-54,DG4V-3-2BL-M-P2-B-7-54,DG4V-3-2BL-M-P2-D-7-54,DG4V-3-2BL-M-P2-T-7-52,DG4V-3-2BL-M-P2-T-7-54,DG4V-3-2BL-M-P2-V-7-54,DG4V-3-2BL-M-P7-H-7-52,DG4V-3-2BL-M-P7-H-7-54,DG4V-3-2BL-M-P7-T-7-52,DG4V-3-2BL-M-P7-T-7-54,DG4V-3-2BL-M-P7-T-7-54-JA30,DG4V-3-2BL-M-U1-H-7-54,DG4V-3-2BL-M-U1-T-7-54,DG4V-3-2BL-M-U1-V-7-54,DG4V-3-2BL-M-U2-H-7-54,DG4V-3-2BL-M-U2-V-7-54,DG4V-3-2BL-M-U7-H-7-54,DG4V-3-2BL-M-U7-V-7-54,DG4V-3-2B-M-P2-B-7-54,DG4V-3-2B-M-P2-D-7-54,DG4V-3-2B-M-P2-T-7-54,DG4V-3-2B-M-P2-V-7-54,DG4V-3-2B-M-P7-H-7-52,DG4V-3-2B-M-P7-H-7-54,DG4V-3-2B-M-P7-T-7-54,DG4V-3-2B-M-U1-H-7-54,DG4V-3-2B-M-U1-V-7-54,DG4V-3-2B-M-U2-H-7-54,DG4V-3-2B-M-U2-V-7-54,DG4V-3-2B-M-U7-H-7-54,DG4V-3-2B-M-U7-V-7-54,DG4V-3-2C-M-P2-D-7-54,DG4V-3-2C-M-P2-T-52,DG4V-3-2C-M-P2-T-7-52,DG4V-3-2C-M-P2-T-7-54,DG4V-3-2C-M-P2-V-7,DG4V-3-2C-M-P2-V-7-54,DG4V-3-2C-M-P2-V-7-56,DG4V-3-2C-M-P7-H-7-54,DG4V-3-2C-M-P7-H-P36-7-54,DG4V-3-2C-M-P7-T-7-54,DG4V-3-2C-M-U1-D-7-54,DG4V-3-2C-M-U1-H-7-52,DG4V-3-2C-MU1-H-7-54,DG4V-3-2C-M-U1-H-7-54,DG4V-3-2C-M-U1-H-7-54-JA16,DG4V-3-2C-M-U1-T-7-54,DG4V-3-2C-M-U1-V-7-54,DG4V-3-2C-M-U2-H-7-54,DG4V-3-2C-M-U2-V-7-54,DG4V-3-2C-M-U7-H-52-K,DG4V-3-2C-M-U7-H-7-54,DG4V-3-2C-M-U7-V-7-54,DG4V-3-2D-M-P2-V-7,DG4V-3-2N-M-P2-D-7-54,DG4V-3-2N-M-P2-T-7-50,DG4V-3-2N-M-P2-T-7-52,DG4V-3-2N-M-P2-T-7-54,DG4V-3-2N-M-P2-V-7-50,DG4V-3-2N-M-P2-V-7-52,DG4V-3-2N-M-P2-V-7-54,DG4V-3-2N-M-P7-H-7-50,DG4V-3-2N-M-P7-H-7-52,DG4V-3-2N-M-P7-H-7-54,DG4V-3-2N-M-P7-H-7-55,DG4V-3-2N-M-P7-H-7-PC1-54,DG4V-3-2N-M-P7-T-7-50,DG4V-3-2N-M-P7-T-7-52,DG4V-3-2N-M-P7-T-7-54,DG4V-3-2N-M-U1-H-7-52,DG4V-3-2N-M-U1-H-7-54,DG4V-3-2N-M-U1-T-7-54,DG4V-3-2N-M-U2-H-7-54,DG4V-3-2N-M-U2-V-7-54,DG4V-3-2N-M-U7-H-7-54,DG4V-3-2N-M-U7-V-7-54,DG4V-3-31C-M-P2-D-7-54,DG4V-3-31C-M-P2-T-7-54,DG4V-3-31C-M-P2-V-7-54,DG4V-3-31C-M-P7-H-7-54,DG4V-3-31C-M-P7-T-7-54,DG4V-3-31C-M-U1-H-7-54,DG4V-3-31C-M-U1-V-7-54,DG4V-3-31C-M-U2-H-7-54,DG4V-3-31C-M-U2-V-7-54,DG4V-3-31C-M-U7-H-7-54,DG4V-3-31C-M-U7-V-7-54,DG4V-3-32AL-M-P7-H-7-52,DG4V-3-32A-M-P7-H-7-52,DG4V-3-33C-M-P2-D-7-54,DG4V-3-33C-M-P2-T-7-54,DG4V-3-33C-M-P2-V-7-54,DG4V-3-33C-M-P7-H-7-54,DG4V-3-33C-M-P7-T-7-54,DG4V-3-33C-M-U1-H-7-54,DG4V-3-33C-M-U1-V-7-54,DG4V-3-33C-M-U2-H-7-54,DG4V-3-33C-M-U2-V-7-54,DG4V-3-33C-M-U7-H-7-54,DG4V-3-33C-M-U7-V-7-54,DG4V-3-35AL-M-P7-H-7-52,DG4V-3-35A-M-P7-H-7-52,DG4V-3-3BL-M-P2-B-7-54,DG4V-3-3BL-M-P2-D-7-54,DG4V-3-3BL-M-P2-T-7-54,DG4V-3-3BL-M-P2-V-7-54,DG4V-3-3BL-M-P7-H-7-52,DG4V-3-3BL-M-P7-H-7-54,DG4V-3-3BL-M-P7-T-7-54,DG4V-3-3BL-M-U1-H-7-54,DG4V-3-3BL-M-U1-T-7-54,DG4V-3-3BL-M-U1-V-7-54,DG4V-3-3BL-M-U2-H-7-54,DG4V-3-3BL-M-U2-V-7-54,DG4V-3-3BL-M-U7-H-7-54,DG4V-3-3BL-M-U7-V-7-54,DG4V-3-3B-M-P2-B-7-54,DG4V-3-3B-M-P2-D-7-54,DG4V-3-3B-M-P2-T-7-54,DG4V-3-3B-M-P2-V-7-54,DG4V-3-3B-M-P7-H-7-52,DG4V-3-3B-M-P7-H-7-54,DG4V-3-3B-M-P7-T-7-54,DG4V-3-3B-M-U1-H-7-54,DG4V-3-3B-M-U1-T-7-54,DG4V-3-3B-M-U1-V-7-54,DG4V-3-3B-M-U2-H-7-54,DG4V-3-3B-M-U2-V-7-54,DG4V-3-3B-M-U7-H-7-54,DG4V-3-3B-M-U7-V-7-54,DG4V-3-3C-M-P2-D-7-54,DG4V-3-3C-M-P2-T-7-54,DG4V-3-3C-M-P2-V-7-54,DG4V-3-3C-M-P7-H-7-54,DG4V-3-3C-M-P7-T-7-54,DG4V-3-3C-M-U1-H-7-52,DG4V-3-3C-M-U1-H-7-52-JA,DG4V-3-3C-M-U1-H-7-52-JA66,DG4V-3-3C-M-U1-H-7-54,DG4V-3-3C-M-U1-V-7-54,DG4V-3-3C-M-U2-H-7-54,DG4V-3-3C-M-U2-V-7-54,DG4V-3-3C-M-U7-H-7-54,DG4V-3-3C-M-U7-V-7-54,DG4V-3-3C-P7-H-54,DG4V-3-541B-M-P7-H-7-54,DG4V-3-561B-M-P7-H-7-54,DG4V-3-6AL-M-P7-H-7-52,DG4V-3-6A-M-P2-T-7-52,DG4V-3-6A-M-P7-H-7-52,DG4V-3-6BL-M-P2-B-7-54,DG4V-3-6BL-M-P2-D-7-54,DG4V-3-6BL-M-P2-T-7-54,DG4V-3-6BL-M-P2-V7-54,DG4V-3-6BL-M-P2-V-7-54,DG4V-3-6BL-M-P7-H-7-52,DG4V-3-6BL-M-P7-H-7-54,DG4V-3-6BL-M-P7-T-7-54,DG4V-3-6BL-M-U1-H-7-54,DG4V-3-6BL-M-U1-T-7-54,DG4V-3-6BL-M-U1-V-7-54,DG4V-3-6BL-M-U2-H-7-54,DG4V-3-6BL-M-U2-V-7-54,DG4V-3-6BL-M-U7-H-7-54,DG4V-3-6BL-M-U7-V-7-54,DG4V-3-6B-M-P2-B-7-54,DG4V-3-6B-M-P2-D-7-54,DG4V-3-6B-M-P2-T-7-54,DG4V-3-6B-M-P2-V-7-54,DG4V-3-6B-M-P7-H-7-52,DG4V-3-6B-M-P7-H-7-54,DG4V-3-6B-M-P7-T-7-54,DG4V-3-6B-M-U1-H-7-54,DG4V-3-6B-M-U1-T-7-54,DG4V-3-6B-M-U1-V-7-54,DG4V-3-6B-M-U2-H-7-54,DG4V-3-6B-M-U2-V-7-54,DG4V-3-6B-M-U7-H-7-54,DG4V-3-6B-M-U7-V-7-54,DG4V-3-6B-M-U-H7-60,DG4V-3-6C-M-P2-D-7-54,DG4V-3-6C-M-P2-T-7-52,DG4V-3-6C-M-P2-T-7-52-JA137,DG4V-3-6C-M-P2-T-7-54,DG4V-3-6C-M-P2-T-7-56,DG4V-3-6C-M-P2-V-7,DG4V-3-6C-M-P2-V-7-52,DG4V-3-6C-M-P2-V-7-52T,DG4V-3-6C-M-P2-V-7-52T-DG3-8-2C-10,DG4V-3-6C-M-P2-V-7-54,DG4V-3-6C-M-P7-H-7-52,DG4V-3-6C-M-P7-H-7-54,DG4V-3-6C-M-P7-H-7-56,DG4V-3-6C-M-P7-T-7-52,DG4V-3-6C-M-P7-T-7-54,DG4V-3-6C-M-P7-T-7-54-JA20,DG4V-3-6C-M-U1-H-7-52-JA16,DG4V-3-6C-M-U1-H-7-54,DG4V-3-6C-M-U1-H-7-54-JA16,DG4V-3-6C-M-U1-H-7-P08-54,DG4V-3-6C-M-U1-V-7-54,DG4V-3-6C-M-U2-H-7-54,DG4V-3-6C-M-U2-H-7-P20-54,DG4V-3-6C-M-U2-V-7-54,DG4V-3-6C-M-U7-H-52-K,DG4V-3-6C-M-U7-H-7-54,DG4V-3-6C-M-U7-V-7-54,DG4V-3-6C-P2-T-7-54,DG4V-3-6C-P2-V-7-54,DG4V-3-6N-M-U1-H7-52,DG4V-3-6N-MU-H7-60,DG4V-3-7A-M-P7-H-7-52,DG4V-3-7B-M-P7-H-7-54,DG4V-3-7B-M-P7-T-7-54,DG4V-3-7C-M-P2-D-7-54,DG4V-3-7C-M-P2-T-7-54,DG4V-3-7C-M-P2-V-7-54,DG4V-3-7C-M-P7-H-7-52-JA54,DG4V-3-7C-M-P7-H-7-54,DG4V-3-7C-M-P7-T-7-52,DG4V-3-7C-M-P7-T-7-52-JA,DG4V-3-7C-M-P7-T-7-52-JA18SA,DG4V-3-7C-M-P7-T-7-52-JA54,DG4V-3-7C-M-P7-T-7-54,DG4V-3-7C-M-P7-T-7-54-JA18SA,DG4V-3-7C-M-P7-T-7-54-JA54,DG4V-3-7C-M-PS2-H-7-54-JA487,DG4V-3-7C-M-U1-H-7-54,DG4V-3-7C-M-U1-T-7-54,DG4V-3-7C-M-U1-V-7-54,DG4V-3-7C-M-U2-H-7-54,DG4V-3-7C-M-U2-V-7-54,DG4V-3-7C-M-U7-H-52-K,DG4V-3-7C-M-U7-H-7-54,DG4V-3-7C-M-U7-H-7-B10-54,DG4V-3-7C-M-U7-V-7-54,DG4V-3-8BL-M-P7-V-7-P10-52,DG4V-3-8C-M-P2-D-7-54,DG4V-3-8C-M-P2-T-7-52,DG4V-3-8C-M-P2-T-7-54,DG4V-3-8C-M-P2-V-7-54,DG4V-3-8C-M-P2-V-T,DG4V-3-8C-M-P7-H-7-54,DG4V-3-8C-M-P7-T-7-54,DG4V-3-8C-M-U1-H-7-54,DG4V-3-8C-M-U1-V-7-54,DG4V-3-8C-M-U2-H-7-54,DG4V-3-8C-M-U2-V-7-54,DG4V-3-8C-M-U7-H-7-54,DG4V-3-8C-M-U7-V-7-54,DG4V-3-D 200V,DG4V-3--N-M-U1-V-7-54,DG4V-3-OA-M-U1-V-7-54,DG4V-3-OB-M-P2-H-7-54,DG4V-3-OB-M-P7-H-7-52,DG4V-3-OB-M-P7-H-7-54,DG4V-3-OB-M-P7-H-P10-54,DG4V-3-OB-M-P7-T-7-54,DG4V-3-OC-M-P2-V-7-54,DG4V-3-P2-T-52D,DG4V-3S-0A-MU-H5-60,DG4V-3-T 100V
DG4V-5 系列:DG4V-5,DG4V-5-0AL-M-U7L-H-7-40,DG4V-5-0A-M-P7L-H-7-40,DG4V-5-0A-M-PL-0V-6-40,DG4V-5-0A-M-PL-T-6-40,DG4V-5-0A-MU-H6-20,DG4V-5-0B-M-P7L-H-7-40-JA1Y,DG4V-5-0B-M-P7L-H-7-40-JAIY,DG4V-5-0B-M-U7L-H-7-40,DG4V-5-0C-M-PL-0V-6-40,DG4V-5-22A-M-PL-T-6-40,DG4V-5-23A-M-P7L-T-6-40,DG4V-5-23A-M-P7L-T-6-40-JA755Y,DG4V-5-23A-M-PL-T-6-40,DG4V-5-2AL-M-U7L-H-7-40,DG4V-5-2A-M-7PL-H-7-40-JA1Y,DG4V-5-2A-M-P2-D-7-54,DG4V-5-2A-M-P7L-H-7-40,DG4V-5-2A-M-P7L-H-7-40-JA1Y,DG4V-5-2A-M-P7L-H-7-40-JAIY,DG4V-5-2A-M-P7L-T-6-40-JA1Y,DG4V-5-2A-M-P9L-VR-7-40,DG4V-5-2A-M-PL-0V-6-40,DG4V-5-2A-M-PL-D-6-40,DG4V-5-2A-M-PL-H-7-40,DG4V-5-2A-M-PL-OV-6-40,DG4V-5-2A-M-PL-T-6,DG4V-5-2A-M-PL-T-6-40,DG4V-5-2A-M-U7L-H-7-40,DG4V-5-2BL-M-P7L-H-7-40-JA1Y,DG4V-5-2BL-M-P7L-T-6-40,DG4V-5-2BL-M-PL-T-6-40,DG4V-5-2B-M-P7L-H-7-40-JA867,DG4V-5-2B-M-U1-H-7-40,DG4V-5-2B-M-U7L-H-7-40,DG4V-5-2B-M-U7L-H-7-40-JA867,DG4V-5-2C-M-P7L-H-7-40,DG4V-5-2C-M-PL-0V-6-40,DG4V-5-2C-M-PL7-H-7-40CKIT,DG4V-5-2C-M-PL-D-6-40,DG4V-5-2C-M-PL-OV-6-40,DG4V-5-2C-M-PL-T-6-40,DG4V-5-2C-M-U1-H-7-40,DG4V-5-2C-M-U7L-H-7-50,DG4V-5-2N-M-P7L-T-6-40,DG4V-5-2N-M-PL-T-6-40,DG4V-5-2N-M-PL-T-6-40-P30,DG4V-5-2N-M-U7L-H-7-40,DG4V-5-31C-M-P7L-H-6-JA415Y,DG4V-5-31C-M-P7L-H-6-S415,DG4V-5-31C-M-P7L-H-7-40,DG4V-5-31C-M-PL-0V-6-40,DG4V-5-31C-M-PL-T-6-40,DG4V-5-33C-M-P7L-H-7-40,DG4V-5-33C-M-P7L-H-7-40-JA569Y,DG4V-5-33C-M-P7L-T-6-40,DG4V-5-33C-M-PL-0V-6-40,DG4V-5-33C-M-PL-T-6-40,DG4V-5-3BL-M-P7L-H-7-40-JA1Y,DG4V-5-3BL-M-PTL-H-7-40-JA1Y,DG4V-5-3B-M-PL-OV-6-40,DG4V-5-3C-M-P7L-H-7-40-JA415,DG4V-5-3C-M-P7L-H-7-40JA415Y,DG4V-5-3C-M-P7L-H-7-40-JA415Y,DG4V-5-3C-M-P7L-H-7-40-JA710,DG4V-5-3C-M-PL-T-6-40,DG4V-5-3C-M-PL-T-6-40-P15,DG4V-5-3C-M-PS2-T-7-40,DG4V-5-6A-M-PL-T-6-40,DG4V-5-6B-M-P7L-H-7-40,DG4V-5-6C-M-P2-D-7-54,DG4V-5-6C-M-P2-T-7-40,DG4V-5-6C-M-P7L-H-7-40,DG4V-5-6C-M-P7L-T-6-40,DG4V-5-6C-M-P9L-VR-7-40,DG4V-5-6C-M-PL-0V-6-40,DG4V-5-6C-M-PL-D-6-40,DG4V-5-6C-M-PL-OV-6-40,DG4V-5-6C-M-PL-T-6-40,DG4V-5-6C-M-U7L-H-7-40,DG4V-5-7C-M-P7L-H-7-40-JA487,DG4V-5-7C-M-P7L-H-7-40-JA487Y,DG4V-5-7C-M-U7L-H-7-40,DG4V-5-8C-M-PL-0V-6-40,DG4V-5-8C-M-PL-D-6-40,DG4V-5-OB-M-P7L-H-40-JA1Y,DG4V-5-OB-M-P7L-H-7-40-JA1Y,DG4V-5-OB-M-P7L-H-7-40-JAIY
DG4VC 系列:DG4VC-3,DG4VC-3-0C-M-PS2-H-7-54,DG4VC-3-2AL-M-PSR-H-7-52,DG4VC-3-2A-M-PS2-H-7-52,DG4VC-3-2A-M-PS2-H-7-52-JA100,DG4VC-3-2A-M-PS2-H-7-54-JA100,DG4VC-3-2A-M-PS2-H-7-P16-52,DG4VC-3-2A-M-PS2-H-7-P20-T15-54,DG4VC-3-2A-PS2-H-7-P16-54,DG4VC-3-2C-M-PS2-H-7-52-JA100,DG4VC-3-2C-M-PS2-H-7-52-JA277,DG4VC-3-2N-M-PN2-H-7-54,DG4VC-3-2N-M-PS1-H-7-52,DG4VC-3-2N-M-PS1-H-7-54,DG4VC-3-2N-M-PS2-H-7-52,DG4VC-3-6C-M-PS2-H-7-52-JA100,DG4VC-3-6C-M-PS2-H-7-54,DG4VC-3-6C-M-PS2-H-7-54-JA100,DG4VC-3-7C-M-PS2-H-7-52,DG4VC-3-7C-M-PS2-H-7-54,DG4VC-3-8C-PS2-H-5,DG4VC-3-8C-PS2-H-52,DG4VC-3-OB-M-PS2-H-7-P12-54,DG4VC-3-OC-M-PS2-H-7-52,DG4VC-3-OC-M-PS2-H-7-54,DG4VC-5,DG4VC-5-24A-M-PS2-H-7-40,DG4VC-5-2A-M-PS2-H-7-40,DG4VC-5-2A-M-PS2-H-7-40-15,DG4VC-5-2A-M-PS2-H-7-40-JA872-T30,DG4VC-5-2A-M-PS2-H-7-40-P15,DG4VC-5-2A-M-PS2-H-7-40-T30,DG4VC-5-2B-M-PS2-H-7-40,DG4VC-5-2N-M-PS2-H-7-40,DG4VC-5-3BL-M-PS2-H-7-40
一、型号编码拆解
- SQP1:系列 → 单联、低噪、高压子母叶片泵,1 号规格(小排量)。
- 7:排量代号 → 公称排量 7 mL/r。
- 86:轴伸形式 → 重型带键直轴(φ20,键槽)。
- C:出油口位置(从泵盖端看)→ 与进油口同侧(180°)。
- 18:设计版本 → 第 18 版,标准型。
二、核心技术参数(标准工况)
- 结构形式:子母叶片、内曲线、压力平衡、插装式泵芯。
- 排量:7 mL/r;额定压力:21 MPa;最高压力:25 MPa。
- 转速范围:800\1800 r/min**;**最佳转速**:**1200\1500 r/min。
- 流量(1500 r/min):≈10.5 L/min(容积效率≥92%)。
- 噪声:≤62 dB(A)(1500 r/min,空载)。
- 油液:ISO VG32/46/68 抗磨液压油;温度 \\-10℃~+60℃\\;清洁度ISO 18/15。
- 安装:法兰安装(标准);进油口 G1",出油口 G3/4"。
- 重量:约6.5 kg;旋向:顺时针(从轴端看,标准)。
三、结构组成(子母叶片 + 插装泵芯)
- 泵体:高强度铸铁,加厚壳体,低噪、抗振。
- 泵芯(可整体更换):定子:内曲线型腔,4 段工作弧,压力脉动小。转子:合金钢,开叶片槽,带动子母叶片旋转。子母叶片:母叶 + 子叶,高压区子叶弹出,间隙密封、减少泄漏。配流盘:两侧高压 / 低压配流窗口,压力平衡设计,减少轴向力。
- 轴封:NBR 双唇油封,防泄漏、防尘。
- 轴承:高精度深沟球轴承,支撑转子,寿命长。
四、工作原理(容积式、压力平衡)
- 吸油(低压区)转子旋转→叶片离心甩出→定子、转子、叶片、配流盘形成密闭容腔→容积扩大→负压吸油(油箱→进油口)。
- 压油(高压区)转子继续旋转→容腔缩小→油液受压升压→出油口排出(高压油至系统)。
- 子母叶片优势高压区:子叶弹出,贴合定子内壁,减少高压泄漏,提升容积效率。低压区:子叶缩回,降低磨损,延长寿命。
- 压力平衡配流盘对称设计,高压区压力相互抵消,转子轴向力小,轴承负荷低、噪声小。
五、性能特点
- ✅ 低噪脉动小:子母叶片 + 脉动衰减结构,噪声低、压力波动≤±2%。
- ✅ 高压高效:21MPa 额定压力,容积效率≥92%,总效率≥85%。
- ✅ 插装式易维护:泵芯可整体更换,无需拆管路,维修快。
- ✅ 结构紧凑:体积小、重量轻,适配紧凑型液压站、机床、小型工程机械。
- ✅ 寿命长:合金钢叶片 + 耐磨配流盘,疲劳寿命≥5000 小时。
六、典型应用
- 机床:车床、铣床、磨床的液压进给、夹紧回路。
- 轻工:注塑机、压铸机的低压辅助泵、保压回路。
- 工程机械:小型挖掘机、装载机的先导控制、转向回路。
- 液压站:小流量高压系统,如液压夹具、试验台。
七、安装与使用要点
- 安装方向:水平安装,轴端朝外;进油口低于油箱液面≥50mm,防吸空。
- 旋向确认:标准顺时针(轴端看),严禁反转。
- 油液清洁:10μm 过滤器,定期换油,防卡阀、磨损。
- 压力设定:系统压力≤21MPa,溢流阀调定≤泵最高压力。
- 启动排气:首次启动点动数次,排尽泵内空气,防气蚀、噪声。
八、常见故障与原因
- 流量不足:油液污染、叶片磨损、吸油阻力大(滤网堵)、转速过低。
- 压力上不去:内泄漏大(配流盘磨损)、叶片卡滞、溢流阀故障。
- 噪声大:吸空(进气)、油液含气、轴承磨损、定子曲线拉伤。
- 泄漏:轴封老化、端面 O 形圈损坏、泵体裂纹。
本文由苏州逐利机电整理发布,如需转载请浏览来源及出处,原文地址:http://www.tw-joly.com/yyf/940.html






留言信息