SUNWAY溢流阀REG-01/100 REG-01/210 REG-01/350 REG-01/50










DEO-0B1/2A-24DC
DEO-0B31/2-24DC
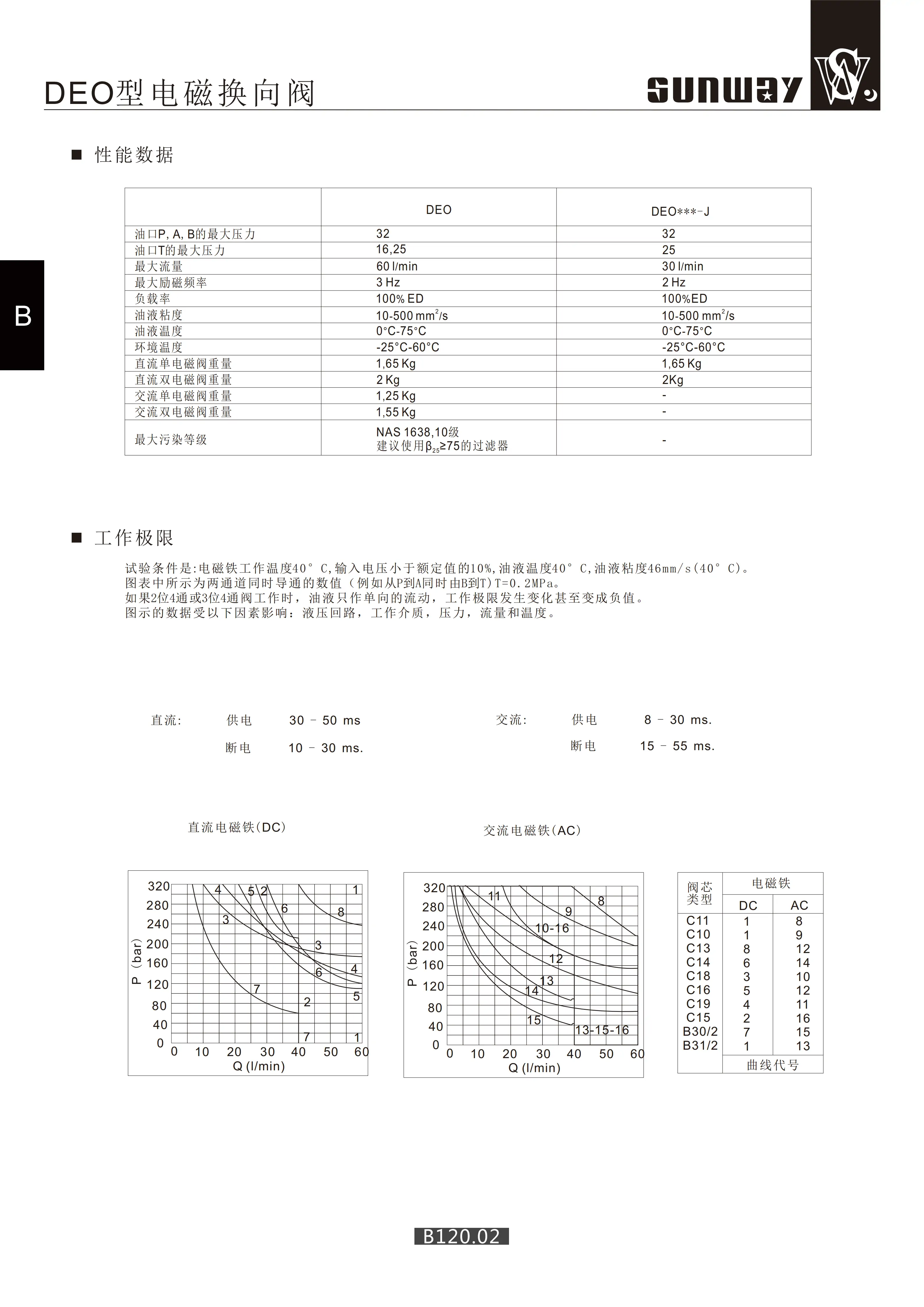
DEO-0C10-24DC
DEO-0C11-24DC
DEO-0C13-24DC
DEO-0C14-24DC
DEO-0C15-24DC
DEO-0C16-24DC
DEO-0C51/2-24DC
DEO-0C51/2-24DC
DFO-1C10-24DC
DFO-1C10-24DC HY
DHO-0B31/2-* 12V/24V线圈
DHO-0C11-* 12V/24V线圈
DHO-0C13-* 12V/24V线圈
DHO-0C14-* 12V/24V线圈
DLKZOR-TEB-SN-NP-140
SPRM6-A-0B1-S5/24
SPRM6-A-0C1-S3/24
SWRPEH10-C4B-100L-G24/A1

REG-01/350 是一款小型高压直动式比例溢流阀,核心用于液压系统高压侧的压力调节与安全限压,具备响应快、控制精度高、结构紧凑的特点,适配小流量、高压工况的压力闭环控制。
一、型号释义
- REG:Regulator(压力调节阀 / 比例溢流阀)
- 01:公称通径 NG01(约 6 mm),小流量规格
- 350:最大工作压力 350 bar(35 MPa),高压等级
二、核心技术参数
| 参数 | 数值 | 备注 |
| 最大工作压力 | 350 bar(35 MPa) | 溢流极限压力 |
| 调节压力范围 | 10–350 bar | 比例控制无级可调 |
| 额定流量 | 1–3 L/min | 适配小流量回路 |
| 控制方式 | 比例电控(24 VDC) | 0–10 V/4–20 mA 信号 |
| 滞环 | <1% 额定压力 | 控制精度高 |
| 重复精度 | ±0.5% 额定压力 | 稳定性好 |
| 介质 | 矿物液压油、合成油 | 粘度 10–400 cSt |
| 油温范围 | -20~+80 ℃ | 常规 40–60 ℃ |
| 安装方式 | 板式 / 插装式 | 适配 ISO 4401 安装面 |
| 重量 | 约 0.8–1.2 kg | 结构紧凑 |
三、结构与工作原理
1. 核心结构
- 阀体:高强度合金钢材,高压密封设计
- 阀芯:锥面密封,直动式结构,响应快
- 比例电磁铁:24 VDC 供电,输出力与输入信号成正比
- 弹簧:高精度压力弹簧,用于压力复位与微调
- 控制腔:集成压力反馈通道,闭环控制
2. 工作原理
- 压力设定:比例电磁铁接收 0–10 V/4–20 mA 信号,产生对应电磁力,作用于阀芯
- 压力平衡:系统压力作用于阀芯锥面,与电磁力 + 弹簧力平衡,维持设定压力
- 溢流保护:系统压力超设定值时,阀芯开启,油液溢流回油箱,限制压力升高
- 闭环调节:内置压力反馈,实时修正电磁力,稳定输出压力,降低滞环
四、关键功能与调节
1. 电控调节
- 信号类型:0–10 V(电压)或 4–20 mA(电流)
- 调节特性:输入信号 0–100% 对应压力 10–350 bar 线性变化
- 响应时间:<10 ms,适合动态压力控制
2. 机械微调
- 结构:阀体侧面设手动调节螺丝
- 作用:微调弹簧预紧力,校准压力零点与量程
- 操作:出厂已校准,一般无需频繁调节
3. 保护机制
- 高压过载保护:达 350 bar 强制溢流,保护系统元件
- 断电安全模式:断电时电磁铁失磁,弹簧复位,阀全开泄压,保障安全
五、性能特点
- ✅ 高压耐受:350 bar 高压设计,适配高压液压系统
- ✅ 高响应:直动式结构,响应快,适合动态压力控制
- ✅ 高精度:滞环 < 1%、重复精度 ±0.5%,控制稳定
- ✅ 小巧紧凑:NG01 通径,体积小、重量轻,安装灵活
- ✅ 安全可靠:断电泄压、高压溢流双重保护
六、选型与匹配要点
- 流量匹配:额定流量 1–3 L/min,适配小流量高压回路(如伺服系统、夹紧回路)
- 压力匹配:系统压力需在 10–350 bar 范围内,避免长期超压
- 电气匹配:标准 24 VDC 供电,信号类型(电压 / 电流)需与控制器一致
- 油液要求:清洁度≥ISO 4406 18/15,防止阀芯卡滞;粘度 10–400 cSt
七、常见故障与排除
| 故障 | 原因 | 对策 |
| 压力无法上调 | 电磁铁故障、信号异常、弹簧断裂 | 检查供电 / 信号、更换电磁铁 / 弹簧 |
| 压力波动大 | 油液污染、阀芯磨损、反馈异常 | 换油过滤、检修阀芯、检查反馈回路 |
| 泄漏 | 密封老化、阀体变形、阀芯磨损 | 更换密封、检修阀体、研磨阀芯 |
| 响应慢 | 油液粘度高、阀芯卡滞、电磁铁力不足 | 降低粘度、清洗阀芯、检查电磁铁 |
八、典型应用
- 高压伺服系统:压力闭环控制
- 液压夹紧装置:高压夹紧压力调节
- 小型高压液压站:系统压力限制与安全保护
- 测试设备:高压压力模拟与控制
本文由苏州逐利机电整理发布,如需转载请浏览来源及出处,原文地址:http://www.tw-joly.com/yyf/819.html






留言信息