SVNX神视CS1-F/J/U/G/S D-A93磁性开关气缸传感器2线3线式NPN常开










CMSE-020二线制2米
CMSG-020二线制2米
CMSH-020二线2米
CMSJ-020二线制2米
CS10-G020
CS1-A CS1-E CS1-F CS1-F (1.5米) CS1-F 020 CS1-F020 CS1-FB(常闭型) CS1-G CS1-G (1.5米)
CS1-G 020 CS1-H CS1-H 020 CS1-J CS1-J (1.5米) CS1-J 020 CS1-J020 CS1-JB(常闭型) CS1-M(直插型)
CS1M-020S10 CS1-M020-S10
CS1A-020 CS1M-020S12
CS1-M020-S12 CS1M-020S16 CS1-M020-S16 CS1-M020-S20 CS1M-020S25 CS1-M020-S25 CS1M-020S32
CS1-M020-S32 CS1M-020S40 CS1-M020-S40 CS1M0-20S50 CS1-S CS1-S (1.5米) CS1-SB(常闭型)
CS1-U CS1-U 020 CS1-U(1.5米) CS1-U020 CS1-UB(常闭型)
D-A54 D-A73 D-A93 D-C73 D-F8B D-F8N D-M9B D-M9N D-M9P
DMSE-020 DMSE-020二线制2米 DMSG-020 DMSG-020二线制2米 DMSG-N020 DMSH-020
DMSH-020二线制2米 DMSJ-020二线制2米 DS1A-020 D-Z73 M10(SC80-SC100缸径) M12(SC125缸径)
M16(SC160缸径) M20(SC200缸径) M6(SC32-50缸径 M8(SC63缸径)
液压系统减压阀压力不稳定故障分析
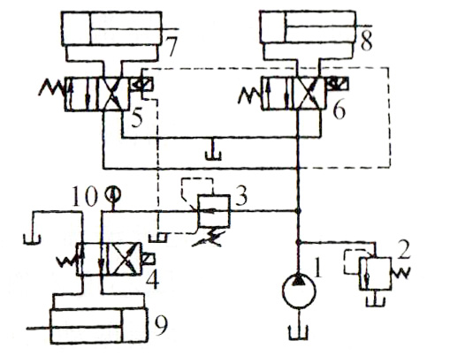
如下图所示液压系统 中。液压泵为定量泵,主油路中液压缸7和8分别由二位四通电液换向阀5和6控制运动方向,电液换向阀的控制油液来自主油路。液压缸9由减压阀减压后的压力油通过4、2换向阀控制伸出与缩回。电液换向阀控制油路与减压阀的外泄油路全流后回油箱。

(一)故障现象
减压阀后压力波动大。
(二)故障原因
1、减压阀阀前压力的最低值低于减压阀后的压力值。
2、执行机构负载不稳定。在液压缸减压回路中,只有在执行机构具有足够负载前提下,减压阀前阀后压力才能保持稳定值。即负载低于减压阀调定值时,减压阀后的压力值随负载而变化。
3、液压缸的内外泄漏。
4、液压油污染造成减压阀动作不稳定或减压阀本身故障。如减压阀主阀芯由于赃物而卡死,阀后压力就高于或低于调定值;如果其先导锥阀与阀座封闭不严,减压阀的阀后压力就低于调定值。
(三)故障排除
1、当主油路压力低于减压阀最低调定压力时,在减压阀前增设单向阀,单向阀与减压阀间须增加蓄能器等。
2、更换液压缸泄漏处密封件。
3、定期检查液压油是否变质,及时更换变质液压油。
本文由苏州逐利机电整理发布,如需转载请浏览来源及出处,原文地址:http://www.tw-joly.com/kg/380.html






留言信息