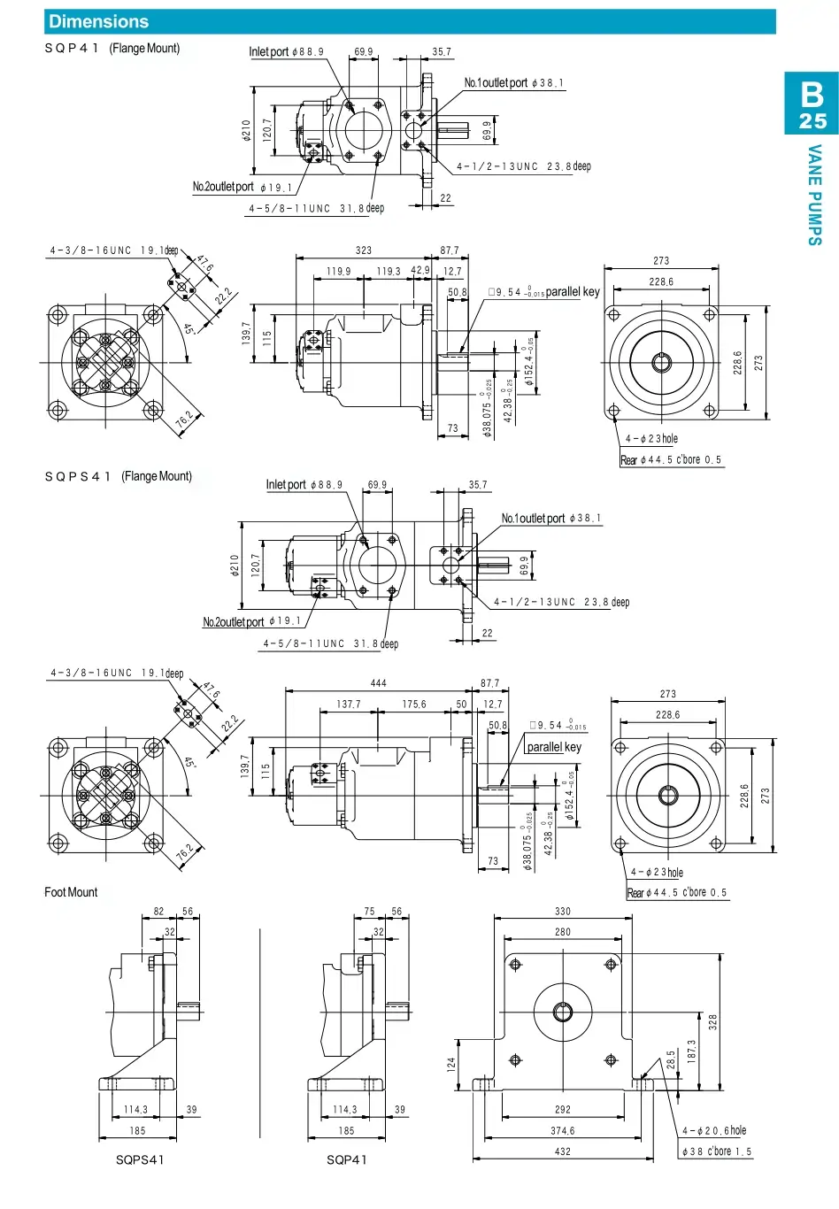
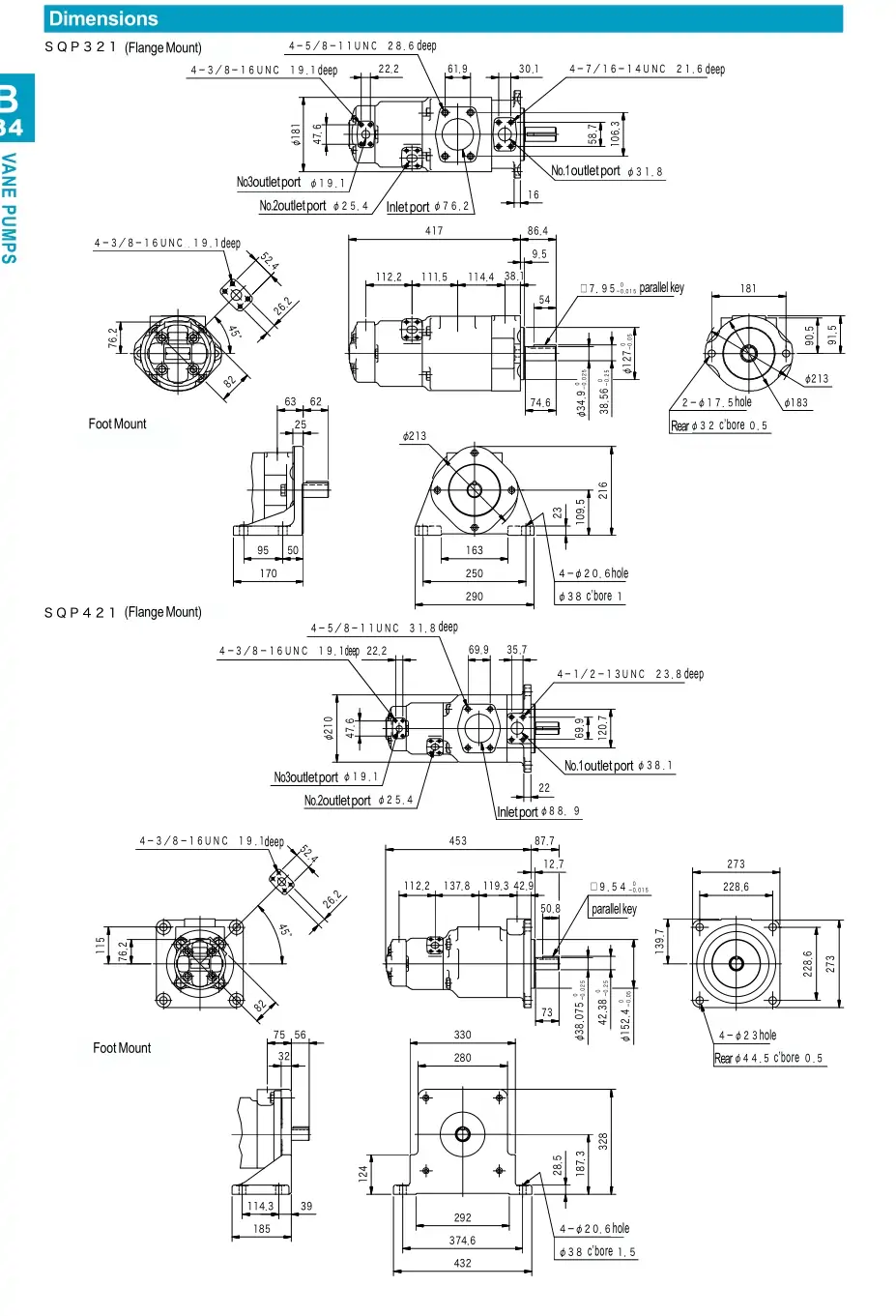
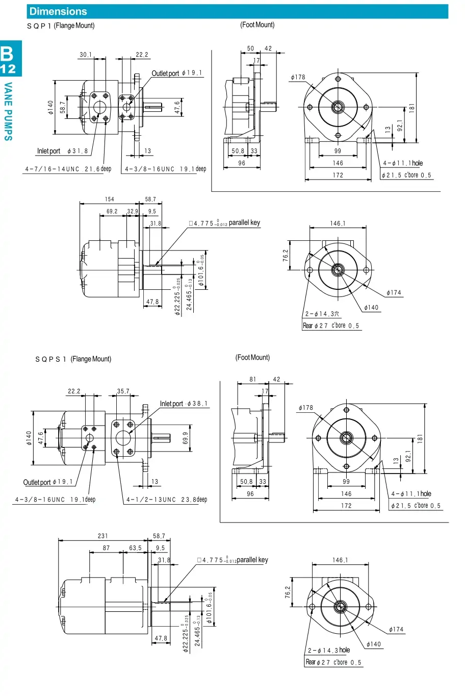
TOKYO KEIKI 东京计器SQP4-30-86C-18叶片泵用于注塑机 压铸机








16V 系列:16V-LS-11-ECG-210-10-S100-J
1HP 系列:1HP-P8VMR
45VQEPCG 系列:45VQEPCG2-03-35-Y-L-13-S20
4C2M 系列:4C2M-3-30-JA-S2,4C2M-3-30-JA-S3
4CG 系列:4CG-03-DA-20-JA-S100-J
4V 系列:4V-3-2A-M-P2-D-7-54
ABT 系列:ABT-03-10-JA-J
BLG 系列:BLG-02,BLG-3
C2G 系列:C2G-805-JA-11,C2G-805-K,C2G-805-S12-JA-11,C2G-825-JA-S52
C2M 系列:C2M-3C-30-JA
C 系列:C-552-E,C-552-K,C-572-E,C-572-K
C5G 系列:C5G-815-JA,C5G-825-JA-J,C5G-825-K,C5G-825-S3-K
C5PG 系列:C5PG-815-10-S45
CG 系列:CG-03-C-15-S81-JA,CG-06-C-40-JA-J
CGFNM 系列:CGFNM-3A-30-5AFNM-3B-30-JAC2PG
CGR 系列:CGR-02-FK-20-JA-JRG,CGR-02-FK-20-JA-JRG-06-F1-22-JA-SIOO-J
C-KIT 系列:C-KIT-FOR-P31V,C-KIT-SQP1-11
COM 系列:COM-2C-70-AN-10-S4,COM-3,COM-3-2C-30-AN-11,COM-3-2C-30-CH-11,COM-3-2C-30-CH-11-S4,COM-3-33C-30-CH-11,COM-3-33C-30-CH-11-S4,COM-3-33C-30-SH-11,COM-5,COM-5-2C-70-AN-10,COM-5-2C-70-CH-10-S3,COM-5-33C-70-AN-10,COM-5-33C-70-CH-10-S7,COM-7-2C-130-AN-E-10-S40,COM-7-2C-130-CH-T-10,COM-7-31C-130-CH-T-10-S7,COM-8-33C-250-CH-C-E-10,COM-8-33C-250-CH-T-10
Counterbalance Valves 系列:Counterbalance Valves
CR 系列:CR-19-3P0-30-JA-J,CR-23-2P7-30-JA-J
CRG 系列:CRG-01-F-JA-10-J
CT 系列:CT-03-F-JA-10-S81-J,CT-06-F-40-JA-J
CV1 系列:CV1-63-D20-3-M-10-JA
CVSH 系列:CVSH-01-11,CVSH-01-K,CVSH-3-10
CVU 系列:CVU-16-C3-B29-W-350-10,CVU-16-C3-J39-W-350-10-JA,CVU-16-C3-J39-W-350-10-JA100
D-CG 系列:D-CG-02-C-250-20
D-DFG 系列:D-DFG-31-03-2C-EX-40-63-1-20,D-DFG-31-03-2C-EX-70-63-20
DEFG 系列:DEFG31-04-3C-EX-130-11-S2,DEFG31-04-R66D-EX-130-10-S4,DEFG31-06-20C-EX-250-11,DEFG31-10-20C-EX-500-10,DEFG34-10-20C-EX-500-10
DEFRG 系列:DEFRG21-04-R100-E-100-10-S3
D-FG 系列:D-FG-02-EX-65-250-20-S119
DG17V 系列:DG17V-7-6C-10-JA-S9,DG17V-7-6C-1-21-JA-S9B
DG20S 系列:DG20S-3-22A-P-20-S13,DG20S-3-2A-L11-S10,DG20S-3-2A-P-20-S18
DG2S4 系列:DG2S4-012A-50-LH-JA-S36
DG3S 系列:DG3S-10
DG3V 系列:DG3V-7,DG3V-H8,DG3V-H8-2C-1-T-12-JA-Z
DG4M4 系列:DG4M4,DG4M4-100V,DG4M4-200V,DG4M4-20-32C-M14-JA,DG4M4-220V,DG4M4-24V,DG4M4-30C-20-JA,DG4M4-30C-24DC-20-JA,DG4M4-30C-24DC-JA,DG4M4-3-20-JA,DG4M4-32-20-JA,DG4M4-32-20-M12-JA,DG4M4-32A-100AC-20-JA,DG4M4-32A-20-JA,DG4M4-32A-20-JA-AC100V,DG4M4-32A-20-JATDM-16074,DG4M4-32A-24DC-20-JA,DG4M4-32B-20-LH-100AC,DG4M4-32B-20-LH-100AC-JA-S46,DG4M4-32C-20-JA,DG4M4-32C-24DC-20-JA,DG4M4-36C-20-24DC-JA,DG4M4-36C-20-5A,DG4M4-36C-20-JA,DG4M4-36C-20-JA-24DC,DG4M4-36C-24DC-20-JA
DG4SM 系列:DG4SM-3,DG4SM-3-0BL-P7-H-54,DG4SM-3-0B-P7-H-54,DG4SM-3-0C-P7-H-54,DG4SM-3-24AL-P7-H-54,DG4SM-3-24A-P7-H-54,DG4SM-3-2AL-P7-H-54,DG4SM-3-2A-P7-H-54,DG4SM-3-2A-P7-H-56,DG4SM-3-2BL-P7-H-54,DG4SM-3-2B-P7-H-54,DG4SM-3-2C-P7-H-52,DG4SM-3-2C-P7-H-54,DG4SM-3-2C-P7-H-56,DG4SM-3-2N-P7-H-54,DG4SM-3-2N-P7-H-56,DG4SM-3-31BL-P7-H-54,DG4SM-3-31B-P7-H-54,DG4SM-3-31C-P7-H-54,DG4SM-3-33BL-P7-H-54,DG4SM-3-33B-P7-H-54,DG4SM-3-33C-P7-H-52,DG4SM-3-33C-P7-H-54,DG4SM-3-33C-P7-H-PC1-52,DG4SM-3-3BL-P7-H-54,DG4SM-3-3B-P7-H-54,DG4SM-3-3C-P7-H-54,DG4SM-3-6BL-P7-H-54,DG4SM-3-6B-P7-H-54,DG4SM-3-6C-P7-H-52,DG4SM-3-6C-P7-H-54,DG4SM-3-6C-P7-H-PC1-52,DG4SM-3-6C-P7-H-PC1-54,DG4SM-3-7BL-P7-H-54,DG4SM-3-7B-P7-H-54,DG4SM-3-7C-P7-H-54
DG4V 系列:DG4V-3,DG4V-3-0AL-M-P7-H-7-52,DG4V-3-0AL-M-P7-H-7-54,DG4V-3-0AL-MU-H7-60,DG4V-3-0A-M-P2-T-7-54,DG4V-3-0A-M-P2-V-7-54,DG4V-3-0A-M-P7-H-7-52,DG4V-3-0A-M-P7-H-7-54,DG4V-3-0BL-M-P2-B-7-54,DG4V-3-0BL-M-P2-D-7-54,DG4V-3-0BL-M-P2-T-7-54,DG4V-3-0BL-M-P2-V-7-54,DG4V-3-0BL-M-P7-H-7-52,DG4V-3-0BL-M-P7-H-7-54,DG4V-3-0BL-M-P7-T-7-54,DG4V-3-0BL-M-U1-H-7-54,DG4V-3-0BL-M-U1-V-7-54,DG4V-3-0BL-M-U2-H-7-54,DG4V-3-0BL-M-U2-V-7-54,DG4V-3-0BL-M-U7H-52-K,DG4V-3-0BL-M-U7-H-7-54,DG4V-3-0BL-M-U7-V-7-54,DG4V-3-0B-M-P2-B-7-54,DG4V-3-0B-M-P2-D-7-54,DG4V-3-0B-M-P2-T-7-54,DG4V-3-0B-M-P2-V-7-54,DG4V-3-0B-M-P2-V-T,DG4V-3-0B-M-P2-V-T-52,DG4V-3-0B-M-P7-H-7-40,DG4V-3-0B-M-P7-H-7-52,DG4V-3-0B-M-P7-H-7-54,DG4V-3-0B-M-P7-H-P10-54,DG4V-3-0B-M-P7-T-7-54,DG4V-3-0B-M-U1-H-7-54,DG4V-3-0B-M-U1-V-7-54,DG4V-3-0B-M-U2-H-7-54,DG4V-3-0B-M-U2-V-7-54,DG4V-3-0B-M-U7-H-7-54,DG4V-3-0B-M-U7-V-7-54,DG4V-3-0C-M-P2-B-7-54,DG4V-3-0C-M-P2-D-7-54,DG4V-3-0C-M-P2-T-7-54,DG4V-3-0C-M-P2-V-7-54,DG4V-3-0C-M-P2-V-7-P12-54,DG4V-3-0C-M-P3-V-T-P12-52,DG4V-3-0C-M-P7-H-54,DG4V-3-0C-M-P7-H-7-54,DG4V-3-0C-M-P7-H-7-P12-54,DG4V-3-0C-M-P7-T-7-54,DG4V-3-0C-M-U1-H-7-54,DG4V-3-0C-M-U1-T-7-54,DG4V-3-0C-M-U1-V-7-54,DG4V-3-0C-M-U2-H-7-54,DG4V-3-0C-M-U2-V-7-54,DG4V-3-0C-M-U7-H-7-54,DG4V-3-0C-M-U7-V-7-54,DG4V-3-0N-M-P7-H-7-54,DG4V-3-0N-M-U1-T-7-54,DG4V-3-1BL-M-P7-H-7-52,DG4V-3-1BL-M-P7-H-7-54,DG4V-3-1B-M-P7-H-7-52,DG4V-3-1B-M-P7-H-7-54,DG4V-3-1B-M-U7-H-7-54,DG4V-3-1C-M-P7-H-7-54,DG4V-3-1C-M-U1-T-7-54,DG4V-3-22AL-M-P7-H-7-52,DG4V-3-22AL-M-P7-H-7-54,DG4V-3-22A-M-P2-B-7-54,DG4V-3-22A-M-P2-D-7-54,DG4V-3-22A-M-P2-T-7-54,DG4V-3-22A-M-P2-V-7-54,DG4V-3-22A-M-P7-H-7-52,DG4V-3-22A-M-P7-H-7-54,DG4V-3-22A-M-P7-T-7-54,DG4V-3-22A-M-U1-H-7-54,DG4V-3-22A-M-U1-V-7-54,DG4V-3-22A-M-U2-H-7-54,DG4V-3-22A-M-U2-V-7-54,DG4V-3-22A-M-U7-H-7-54,DG4V-3-22A-M-U7-V-7-54,DG4V-3-22BL-M-U1-T-7-54,DG4V-3-23AL-M-P7-H-7-52,DG4V-3-23AL-M-P7-H-7-54,DG4V-3-23A-M-P2-B-7-54,DG4V-3-23A-M-P2-D-7-54,DG4V-3-23A-M-P2-T-7-52,DG4V-3-23A-M-P2-T-7-54,DG4V-3-23A-M-P2-T-7-T10-54,DG4V-3-23A-M-P2-V-7-54,DG4V-3-23A-M-P7-H-52,DG4V-3-23A-M-P7-H-7-52,DG4V-3-23A-M-P7-H-7-54,DG4V-3-23A-M-P7-T-54,DG4V-3-23A-M-P7-T-7-52,DG4V-3-23A-M-P7-T-7-54,DG4V-3-23A-M-U1-H-7-54,DG4V-3-23A-M-U1-V-7-54,DG4V-3-23A-M-U2-H-7-54,DG4V-3-23A-M-U2-V-7-54,DG4V-3-23A-M-U7-H-7-54,DG4V-3-23A-M-U7-V-7-54,DG4V-3-24AL-M-P7-H-7-52,DG4V-3-24A-M-P7-H-7-52,DG4V-3-24A-M-P7-H-7-54,DG4V-3-27AL-M-P7-H-7-52,DG4V-3-27A-M-P7-H-7-52,DG4V-3-28AL-M-P7-H-7-52,DG4V-3-28A-M-P7-H-7-52,DG4V-3-2AL-M-P2-B-7-54,DG4V-3-2AL-M-P2-D-7-54,DG4V-3-2AL-M-P2-T-7-52,DG4V-3-2AL-M-P2-T-7-54,DG4V-3-2AL-M-P2-V-7-54,DG4V-3-2AL-M-P7-H7-52,DG4V-3-2AL-M-P7-H-7-52,DG4V-3-2AL-M-P7-H-7-54,DG4V-3-2AL-M-P7-T-7-54,DG4V-3-2AL-M-U1-H-7-54,DG4V-3-2AL-M-U1-V-7-54,DG4V-3-2AL-M-U2-H-7-54,DG4V-3-2AL-M-U2-V-7-54,DG4V-3-2AL-M-U7-H-52-K,DG4V-3-2AL-M-U7-H-7-54,DG4V-3-2AL-M-U7-V-7-54,DG4V-3-2A-M-P2-7-54,DG4V-3-2A-M-P2-B-7-54,DG4V-3-2A-M-P2-D-7-50,DG4V-3-2A-M-P2-D-7-54,DG4V-3-2A-M-P2-T-7-52-JA137,DG4V-3-2A-M-P2-T-7-54,DG4V-3-2A-M-P2-T-7-P10-52,DG4V-3-2A-M-P2-T-7-P10-54,DG4V-3-2A-M-P2-T-P10-54,DG4V-3-2A-M-P2-V-7,DG4V-3-2A-M-P2-V-7-54,DG4V-3-2A-M-P7-H7-52,DG4V-3-2A-M-P7-H-7-52,DG4V-3-2A-M-P7-H-7-54,DG4V-3-2A-M-P7-T-7-52,DG4V-3-2A-M-P7-T-7-54,DG4V-3-2A-M-P7-T-7-54-JA20,DG4V-3-2A-M-U1-H-7-52,DG4V-3-2A-M-U1-H-7-54,DG4V-3-2A-M-U1-V-7-54,DG4V-3-2A-M-U2-H-7-54,DG4V-3-2A-M-U2-V-7-54,DG4V-3-2A-M-U7-H-52-K,DG4V-3-2A-M-U7-H-7-54,DG4V-3-2A-M-U7-V-7-54,DG4V-3-2BL-M-P2-B-7-54,DG4V-3-2BL-M-P2-D-7-54,DG4V-3-2BL-M-P2-T-7-52,DG4V-3-2BL-M-P2-T-7-54,DG4V-3-2BL-M-P2-V-7-54,DG4V-3-2BL-M-P7-H-7-52,DG4V-3-2BL-M-P7-H-7-54,DG4V-3-2BL-M-P7-T-7-52,DG4V-3-2BL-M-P7-T-7-54,DG4V-3-2BL-M-P7-T-7-54-JA30,DG4V-3-2BL-M-U1-H-7-54,DG4V-3-2BL-M-U1-T-7-54,DG4V-3-2BL-M-U1-V-7-54,DG4V-3-2BL-M-U2-H-7-54,DG4V-3-2BL-M-U2-V-7-54,DG4V-3-2BL-M-U7-H-7-54,DG4V-3-2BL-M-U7-V-7-54,DG4V-3-2B-M-P2-B-7-54,DG4V-3-2B-M-P2-D-7-54,DG4V-3-2B-M-P2-T-7-54,DG4V-3-2B-M-P2-V-7-54,DG4V-3-2B-M-P7-H-7-52,DG4V-3-2B-M-P7-H-7-54,DG4V-3-2B-M-P7-T-7-54,DG4V-3-2B-M-U1-H-7-54,DG4V-3-2B-M-U1-V-7-54,DG4V-3-2B-M-U2-H-7-54,DG4V-3-2B-M-U2-V-7-54,DG4V-3-2B-M-U7-H-7-54,DG4V-3-2B-M-U7-V-7-54,DG4V-3-2C-M-P2-D-7-54,DG4V-3-2C-M-P2-T-52,DG4V-3-2C-M-P2-T-7-52,DG4V-3-2C-M-P2-T-7-54,DG4V-3-2C-M-P2-V-7,DG4V-3-2C-M-P2-V-7-54,DG4V-3-2C-M-P2-V-7-56,DG4V-3-2C-M-P7-H-7-54,DG4V-3-2C-M-P7-H-P36-7-54,DG4V-3-2C-M-P7-T-7-54,DG4V-3-2C-M-U1-D-7-54,DG4V-3-2C-M-U1-H-7-52,DG4V-3-2C-MU1-H-7-54,DG4V-3-2C-M-U1-H-7-54,DG4V-3-2C-M-U1-H-7-54-JA16,DG4V-3-2C-M-U1-T-7-54,DG4V-3-2C-M-U1-V-7-54,DG4V-3-2C-M-U2-H-7-54,DG4V-3-2C-M-U2-V-7-54,DG4V-3-2C-M-U7-H-52-K,DG4V-3-2C-M-U7-H-7-54,DG4V-3-2C-M-U7-V-7-54,DG4V-3-2D-M-P2-V-7,DG4V-3-2N-M-P2-D-7-54,DG4V-3-2N-M-P2-T-7-50,DG4V-3-2N-M-P2-T-7-52,DG4V-3-2N-M-P2-T-7-54,DG4V-3-2N-M-P2-V-7-50,DG4V-3-2N-M-P2-V-7-52,DG4V-3-2N-M-P2-V-7-54,DG4V-3-2N-M-P7-H-7-50,DG4V-3-2N-M-P7-H-7-52,DG4V-3-2N-M-P7-H-7-54,DG4V-3-2N-M-P7-H-7-55,DG4V-3-2N-M-P7-H-7-PC1-54,DG4V-3-2N-M-P7-T-7-50,DG4V-3-2N-M-P7-T-7-52,DG4V-3-2N-M-P7-T-7-54,DG4V-3-2N-M-U1-H-7-52,DG4V-3-2N-M-U1-H-7-54,DG4V-3-2N-M-U1-T-7-54,DG4V-3-2N-M-U2-H-7-54,DG4V-3-2N-M-U2-V-7-54,DG4V-3-2N-M-U7-H-7-54,DG4V-3-2N-M-U7-V-7-54,DG4V-3-31C-M-P2-D-7-54,DG4V-3-31C-M-P2-T-7-54,DG4V-3-31C-M-P2-V-7-54,DG4V-3-31C-M-P7-H-7-54,DG4V-3-31C-M-P7-T-7-54,DG4V-3-31C-M-U1-H-7-54,DG4V-3-31C-M-U1-V-7-54,DG4V-3-31C-M-U2-H-7-54,DG4V-3-31C-M-U2-V-7-54,DG4V-3-31C-M-U7-H-7-54,DG4V-3-31C-M-U7-V-7-54,DG4V-3-32AL-M-P7-H-7-52,DG4V-3-32A-M-P7-H-7-52,DG4V-3-33C-M-P2-D-7-54,DG4V-3-33C-M-P2-T-7-54,DG4V-3-33C-M-P2-V-7-54,DG4V-3-33C-M-P7-H-7-54,DG4V-3-33C-M-P7-T-7-54,DG4V-3-33C-M-U1-H-7-54,DG4V-3-33C-M-U1-V-7-54,DG4V-3-33C-M-U2-H-7-54,DG4V-3-33C-M-U2-V-7-54,DG4V-3-33C-M-U7-H-7-54,DG4V-3-33C-M-U7-V-7-54,DG4V-3-35AL-M-P7-H-7-52,DG4V-3-35A-M-P7-H-7-52,DG4V-3-3BL-M-P2-B-7-54,DG4V-3-3BL-M-P2-D-7-54,DG4V-3-3BL-M-P2-T-7-54,DG4V-3-3BL-M-P2-V-7-54,DG4V-3-3BL-M-P7-H-7-52,DG4V-3-3BL-M-P7-H-7-54,DG4V-3-3BL-M-P7-T-7-54,DG4V-3-3BL-M-U1-H-7-54,DG4V-3-3BL-M-U1-T-7-54,DG4V-3-3BL-M-U1-V-7-54,DG4V-3-3BL-M-U2-H-7-54,DG4V-3-3BL-M-U2-V-7-54,DG4V-3-3BL-M-U7-H-7-54,DG4V-3-3BL-M-U7-V-7-54,DG4V-3-3B-M-P2-B-7-54,DG4V-3-3B-M-P2-D-7-54,DG4V-3-3B-M-P2-T-7-54,DG4V-3-3B-M-P2-V-7-54,DG4V-3-3B-M-P7-H-7-52,DG4V-3-3B-M-P7-H-7-54,DG4V-3-3B-M-P7-T-7-54,DG4V-3-3B-M-U1-H-7-54,DG4V-3-3B-M-U1-T-7-54,DG4V-3-3B-M-U1-V-7-54,DG4V-3-3B-M-U2-H-7-54,DG4V-3-3B-M-U2-V-7-54,DG4V-3-3B-M-U7-H-7-54,DG4V-3-3B-M-U7-V-7-54,DG4V-3-3C-M-P2-D-7-54,DG4V-3-3C-M-P2-T-7-54,DG4V-3-3C-M-P2-V-7-54,DG4V-3-3C-M-P7-H-7-54,DG4V-3-3C-M-P7-T-7-54,DG4V-3-3C-M-U1-H-7-52,DG4V-3-3C-M-U1-H-7-52-JA,DG4V-3-3C-M-U1-H-7-52-JA66,DG4V-3-3C-M-U1-H-7-54,DG4V-3-3C-M-U1-V-7-54,DG4V-3-3C-M-U2-H-7-54,DG4V-3-3C-M-U2-V-7-54,DG4V-3-3C-M-U7-H-7-54,DG4V-3-3C-M-U7-V-7-54,DG4V-3-3C-P7-H-54,DG4V-3-541B-M-P7-H-7-54,DG4V-3-561B-M-P7-H-7-54,DG4V-3-6AL-M-P7-H-7-52,DG4V-3-6A-M-P2-T-7-52,DG4V-3-6A-M-P7-H-7-52,DG4V-3-6BL-M-P2-B-7-54,DG4V-3-6BL-M-P2-D-7-54,DG4V-3-6BL-M-P2-T-7-54,DG4V-3-6BL-M-P2-V7-54,DG4V-3-6BL-M-P2-V-7-54,DG4V-3-6BL-M-P7-H-7-52,DG4V-3-6BL-M-P7-H-7-54,DG4V-3-6BL-M-P7-T-7-54,DG4V-3-6BL-M-U1-H-7-54,DG4V-3-6BL-M-U1-T-7-54,DG4V-3-6BL-M-U1-V-7-54,DG4V-3-6BL-M-U2-H-7-54,DG4V-3-6BL-M-U2-V-7-54,DG4V-3-6BL-M-U7-H-7-54,DG4V-3-6BL-M-U7-V-7-54,DG4V-3-6B-M-P2-B-7-54,DG4V-3-6B-M-P2-D-7-54,DG4V-3-6B-M-P2-T-7-54,DG4V-3-6B-M-P2-V-7-54,DG4V-3-6B-M-P7-H-7-52,DG4V-3-6B-M-P7-H-7-54,DG4V-3-6B-M-P7-T-7-54,DG4V-3-6B-M-U1-H-7-54,DG4V-3-6B-M-U1-T-7-54,DG4V-3-6B-M-U1-V-7-54,DG4V-3-6B-M-U2-H-7-54,DG4V-3-6B-M-U2-V-7-54,DG4V-3-6B-M-U7-H-7-54,DG4V-3-6B-M-U7-V-7-54,DG4V-3-6B-M-U-H7-60,DG4V-3-6C-M-P2-D-7-54,DG4V-3-6C-M-P2-T-7-52,DG4V-3-6C-M-P2-T-7-52-JA137,DG4V-3-6C-M-P2-T-7-54,DG4V-3-6C-M-P2-T-7-56,DG4V-3-6C-M-P2-V-7,DG4V-3-6C-M-P2-V-7-52,DG4V-3-6C-M-P2-V-7-52T,DG4V-3-6C-M-P2-V-7-52T-DG3-8-2C-10,DG4V-3-6C-M-P2-V-7-54,DG4V-3-6C-M-P7-H-7-52,DG4V-3-6C-M-P7-H-7-54,DG4V-3-6C-M-P7-H-7-56,DG4V-3-6C-M-P7-T-7-52,DG4V-3-6C-M-P7-T-7-54,DG4V-3-6C-M-P7-T-7-54-JA20,DG4V-3-6C-M-U1-H-7-52-JA16,DG4V-3-6C-M-U1-H-7-54,DG4V-3-6C-M-U1-H-7-54-JA16,DG4V-3-6C-M-U1-H-7-P08-54,DG4V-3-6C-M-U1-V-7-54,DG4V-3-6C-M-U2-H-7-54,DG4V-3-6C-M-U2-H-7-P20-54,DG4V-3-6C-M-U2-V-7-54,DG4V-3-6C-M-U7-H-52-K,DG4V-3-6C-M-U7-H-7-54,DG4V-3-6C-M-U7-V-7-54,DG4V-3-6C-P2-T-7-54,DG4V-3-6C-P2-V-7-54,DG4V-3-6N-M-U1-H7-52,DG4V-3-6N-MU-H7-60,DG4V-3-7A-M-P7-H-7-52,DG4V-3-7B-M-P7-H-7-54,DG4V-3-7B-M-P7-T-7-54,DG4V-3-7C-M-P2-D-7-54,DG4V-3-7C-M-P2-T-7-54,DG4V-3-7C-M-P2-V-7-54,DG4V-3-7C-M-P7-H-7-52-JA54,DG4V-3-7C-M-P7-H-7-54,DG4V-3-7C-M-P7-T-7-52,DG4V-3-7C-M-P7-T-7-52-JA,DG4V-3-7C-M-P7-T-7-52-JA18SA,DG4V-3-7C-M-P7-T-7-52-JA54,DG4V-3-7C-M-P7-T-7-54,DG4V-3-7C-M-P7-T-7-54-JA18SA,DG4V-3-7C-M-P7-T-7-54-JA54,DG4V-3-7C-M-PS2-H-7-54-JA487,DG4V-3-7C-M-U1-H-7-54,DG4V-3-7C-M-U1-T-7-54,DG4V-3-7C-M-U1-V-7-54,DG4V-3-7C-M-U2-H-7-54,DG4V-3-7C-M-U2-V-7-54,DG4V-3-7C-M-U7-H-52-K,DG4V-3-7C-M-U7-H-7-54,DG4V-3-7C-M-U7-H-7-B10-54,DG4V-3-7C-M-U7-V-7-54,DG4V-3-8BL-M-P7-V-7-P10-52,DG4V-3-8C-M-P2-D-7-54,DG4V-3-8C-M-P2-T-7-52,DG4V-3-8C-M-P2-T-7-54,DG4V-3-8C-M-P2-V-7-54,DG4V-3-8C-M-P2-V-T,DG4V-3-8C-M-P7-H-7-54,DG4V-3-8C-M-P7-T-7-54,DG4V-3-8C-M-U1-H-7-54,DG4V-3-8C-M-U1-V-7-54,DG4V-3-8C-M-U2-H-7-54,DG4V-3-8C-M-U2-V-7-54,DG4V-3-8C-M-U7-H-7-54,DG4V-3-8C-M-U7-V-7-54,DG4V-3-D 200V,DG4V-3--N-M-U1-V-7-54,DG4V-3-OA-M-U1-V-7-54,DG4V-3-OB-M-P2-H-7-54,DG4V-3-OB-M-P7-H-7-52,DG4V-3-OB-M-P7-H-7-54,DG4V-3-OB-M-P7-H-P10-54,DG4V-3-OB-M-P7-T-7-54,DG4V-3-OC-M-P2-V-7-54,DG4V-3-P2-T-52D,DG4V-3S-0A-MU-H5-60,DG4V-3-T 100V
DG4V-5 系列:DG4V-5,DG4V-5-0AL-M-U7L-H-7-40,DG4V-5-0A-M-P7L-H-7-40,DG4V-5-0A-M-PL-0V-6-40,DG4V-5-0A-M-PL-T-6-40,DG4V-5-0A-MU-H6-20,DG4V-5-0B-M-P7L-H-7-40-JA1Y,DG4V-5-0B-M-P7L-H-7-40-JAIY,DG4V-5-0B-M-U7L-H-7-40,DG4V-5-0C-M-PL-0V-6-40,DG4V-5-22A-M-PL-T-6-40,DG4V-5-23A-M-P7L-T-6-40,DG4V-5-23A-M-P7L-T-6-40-JA755Y,DG4V-5-23A-M-PL-T-6-40,DG4V-5-2AL-M-U7L-H-7-40,DG4V-5-2A-M-7PL-H-7-40-JA1Y,DG4V-5-2A-M-P2-D-7-54,DG4V-5-2A-M-P7L-H-7-40,DG4V-5-2A-M-P7L-H-7-40-JA1Y,DG4V-5-2A-M-P7L-H-7-40-JAIY,DG4V-5-2A-M-P7L-T-6-40-JA1Y,DG4V-5-2A-M-P9L-VR-7-40,DG4V-5-2A-M-PL-0V-6-40,DG4V-5-2A-M-PL-D-6-40,DG4V-5-2A-M-PL-H-7-40,DG4V-5-2A-M-PL-OV-6-40,DG4V-5-2A-M-PL-T-6,DG4V-5-2A-M-PL-T-6-40,DG4V-5-2A-M-U7L-H-7-40,DG4V-5-2BL-M-P7L-H-7-40-JA1Y,DG4V-5-2BL-M-P7L-T-6-40,DG4V-5-2BL-M-PL-T-6-40,DG4V-5-2B-M-P7L-H-7-40-JA867,DG4V-5-2B-M-U1-H-7-40,DG4V-5-2B-M-U7L-H-7-40,DG4V-5-2B-M-U7L-H-7-40-JA867,DG4V-5-2C-M-P7L-H-7-40,DG4V-5-2C-M-PL-0V-6-40,DG4V-5-2C-M-PL7-H-7-40CKIT,DG4V-5-2C-M-PL-D-6-40,DG4V-5-2C-M-PL-OV-6-40,DG4V-5-2C-M-PL-T-6-40,DG4V-5-2C-M-U1-H-7-40,DG4V-5-2C-M-U7L-H-7-50,DG4V-5-2N-M-P7L-T-6-40,DG4V-5-2N-M-PL-T-6-40,DG4V-5-2N-M-PL-T-6-40-P30,DG4V-5-2N-M-U7L-H-7-40,DG4V-5-31C-M-P7L-H-6-JA415Y,DG4V-5-31C-M-P7L-H-6-S415,DG4V-5-31C-M-P7L-H-7-40,DG4V-5-31C-M-PL-0V-6-40,DG4V-5-31C-M-PL-T-6-40,DG4V-5-33C-M-P7L-H-7-40,DG4V-5-33C-M-P7L-H-7-40-JA569Y,DG4V-5-33C-M-P7L-T-6-40,DG4V-5-33C-M-PL-0V-6-40,DG4V-5-33C-M-PL-T-6-40,DG4V-5-3BL-M-P7L-H-7-40-JA1Y,DG4V-5-3BL-M-PTL-H-7-40-JA1Y,DG4V-5-3B-M-PL-OV-6-40,DG4V-5-3C-M-P7L-H-7-40-JA415,DG4V-5-3C-M-P7L-H-7-40JA415Y,DG4V-5-3C-M-P7L-H-7-40-JA415Y,DG4V-5-3C-M-P7L-H-7-40-JA710,DG4V-5-3C-M-PL-T-6-40,DG4V-5-3C-M-PL-T-6-40-P15,DG4V-5-3C-M-PS2-T-7-40,DG4V-5-6A-M-PL-T-6-40,DG4V-5-6B-M-P7L-H-7-40,DG4V-5-6C-M-P2-D-7-54,DG4V-5-6C-M-P2-T-7-40,DG4V-5-6C-M-P7L-H-7-40,DG4V-5-6C-M-P7L-T-6-40,DG4V-5-6C-M-P9L-VR-7-40,DG4V-5-6C-M-PL-0V-6-40,DG4V-5-6C-M-PL-D-6-40,DG4V-5-6C-M-PL-OV-6-40,DG4V-5-6C-M-PL-T-6-40,DG4V-5-6C-M-U7L-H-7-40,DG4V-5-7C-M-P7L-H-7-40-JA487,DG4V-5-7C-M-P7L-H-7-40-JA487Y,DG4V-5-7C-M-U7L-H-7-40,DG4V-5-8C-M-PL-0V-6-40,DG4V-5-8C-M-PL-D-6-40,DG4V-5-OB-M-P7L-H-40-JA1Y,DG4V-5-OB-M-P7L-H-7-40-JA1Y,DG4V-5-OB-M-P7L-H-7-40-JAIY
DG4VC 系列:DG4VC-3,DG4VC-3-0C-M-PS2-H-7-54,DG4VC-3-2AL-M-PSR-H-7-52,DG4VC-3-2A-M-PS2-H-7-52,DG4VC-3-2A-M-PS2-H-7-52-JA100,DG4VC-3-2A-M-PS2-H-7-54-JA100,DG4VC-3-2A-M-PS2-H-7-P16-52,DG4VC-3-2A-M-PS2-H-7-P20-T15-54,DG4VC-3-2A-PS2-H-7-P16-54,DG4VC-3-2C-M-PS2-H-7-52-JA100,DG4VC-3-2C-M-PS2-H-7-52-JA277,DG4VC-3-2N-M-PN2-H-7-54,DG4VC-3-2N-M-PS1-H-7-52,DG4VC-3-2N-M-PS1-H-7-54,DG4VC-3-2N-M-PS2-H-7-52,DG4VC-3-6C-M-PS2-H-7-52-JA100,DG4VC-3-6C-M-PS2-H-7-54,DG4VC-3-6C-M-PS2-H-7-54-JA100,DG4VC-3-7C-M-PS2-H-7-52,DG4VC-3-7C-M-PS2-H-7-54,DG4VC-3-8C-PS2-H-5,DG4VC-3-8C-PS2-H-52,DG4VC-3-OB-M-PS2-H-7-P12-54,DG4VC-3-OC-M-PS2-H-7-52,DG4VC-3-OC-M-PS2-H-7-54,DG4VC-5,DG4VC-5-24A-M-PS2-H-7-40,DG4VC-5-2A-M-PS2-H-7-40,DG4VC-5-2A-M-PS2-H-7-40-15,DG4VC-5-2A-M-PS2-H-7-40-JA872-T30,DG4VC-5-2A-M-PS2-H-7-40-P15,DG4VC-5-2A-M-PS2-H-7-40-T30,DG4VC-5-2B-M-PS2-H-7-40,DG4VC-5-2N-M-PS2-H-7-40,DG4VC-5-3BL-M-PS2-H-7-40
一、型号编码拆解
- SQP4:系列代号 → 单联、高压、低噪音子母叶片泵,4 号规格(大排量)。
- 30:公称排量 → 30 cm³/r(30 mL/r)。
- 86C:设计 + 配置代码 → 86:高压 / 低噪音强化设计;C:标准压力等级、标准密封、顺时针旋转(轴端视)。
- 18:版本 / 材料代码 → 第 18 代,标准铸铁壳体、适配矿物液压油。
二、核心技术参数(标准工况)
- 结构形式:单联、定量、子母叶片泵(双叶片结构)。
- 公称排量:30 cm³/r。
- 最高工作压力:21 MPa(210 bar)。
- 额定压力:17.5 MPa(175 bar)。
- 最高转速:1800 r/min。
- 额定转速:1500 r/min。
- 旋转方向:顺时针(轴端视,标准)。
- 油口配置:法兰连接,进油口(大)、出油口(小)。
- 壳体 / 定子材质:高强度铸铁 / 合金钢材。
- 叶片 / 转子材质:高耐磨合金 / 优质钢材。
- 重量:约 28 kg。
- 适用介质:ISO VG32/46/68 抗磨液压油(矿物油)。
- 工作温度:-20℃ ~ +80℃(最佳 40~60℃)。
- 容积效率:≥ 93%;总效率:≥ 86%。
- 噪声水平:68~73 dB(A)(1500 r/min,17.5 MPa)。
三、结构组成(核心部件)
- 转子与叶片组件转子:带叶片槽,随主轴旋转。子母叶片:每槽 2 片(母片 + 子片),双叶片结构,贴合定子内表面,减少泄漏、提升高压稳定性。
- 定子环内表面为椭圆形曲线,转子旋转时,叶片间容积周期性变化,完成吸 / 排油。
- 配流盘(侧板)前后各 1 件,开吸油窗、压油窗,与转子端面贴合,分配油流、密封高压区。
- 主轴与轴承主轴:合金钢,驱动转子;配深沟球轴承 + 滚针轴承,支撑主轴、承受径向力。
- 壳体与端盖前后壳体:高强度铸铁,集成油口、安装法兰;加厚设计,减振、降噪、抗冲击。
- 密封组件轴封:高压油封,防泄漏;端盖密封:O 形圈,耐油、耐压。
四、工作原理(定量泵,固定排量)
- 吸油过程:转子顺时针旋转 → 叶片转到定子长轴区 → 叶片外伸 → 两叶片间容积增大 → 经配流盘吸油窗从油箱吸油。
- 压油过程:转子继续旋转 → 叶片转到定子短轴区 → 叶片内缩 → 两叶片间容积减小 → 油液被加压 → 经配流盘压油窗排出高压油。
- 定量特性:定子曲线固定 → 每转排量恒定 30 cm³/r;流量随转速线性变化(1500 r/min 时约 45 L/min)。
- 子母叶片优势:双叶片间形成压力补偿腔,高压下泄漏少、压力脉动小、噪声低、效率高。
五、性能特点
- ✅ 高压低噪:21 MPa 高压,噪声 68~73 dB (A),脉动小,适合安静工况。
- ✅ 高效节能:容积效率≥93%,总效率≥86%,长期运行能耗低。
- ✅ 结构坚固:加厚铸铁壳体 + 合金定子,抗振、耐磨、寿命长(≥10000h)。
- ✅ 维护简单:模块化泵芯,可整体更换,拆装便捷、停机时间短。
- ✅ 通用性强:适配多种工业液压油,安装法兰 / 油口尺寸标准化。
六、典型应用
- 注塑机、压铸机、液压机(高压低噪需求)。
- 机床液压系统(磨床、加工中心)。
- 工程机械(小型挖掘机、装载机)。
- 自动化生产线、液压站、船舶液压系统。
七、安装与使用要点
- 旋转方向:顺时针(轴端视),严禁反转;反转会导致叶片脱落、泵损坏。
- 油口连接:进油口(大)接油箱(吸油滤≥100μm),出油口(小)接高压系统。
- 驱动安装:弹性联轴器连接,同轴度≤0.1mm;避免刚性连接,防止振动损坏。
- 油液要求:清洁度 ISO 18/15 及以上;油温控制 40\60℃,定期换油(2000\3000h)。
- 压力保护:系统必须装溢流阀,设定压力≤21MPa,防止超压损坏泵。
八、常见故障与原因
- 无压力 / 压力低:吸油堵塞、油液不足、配流盘磨损、叶片磨损、定子内表面拉伤。
- 流量不足:转速不够、内泄漏大(叶片 / 配流盘磨损)、吸油漏气。
- 噪声大 / 振动:吸油不足 / 气蚀、联轴器同轴度差、轴承磨损、定子 / 叶片磨损。
- 发热严重:内泄漏大、压力过高、油液污染、冷却不良、转速超标。
本文由苏州逐利机电整理发布,如需转载请浏览来源及出处,原文地址:http://www.tw-joly.com/yyyb/935.html






留言信息