油研YUKEN SVPF-20-70-20叶片泵SVPF-12/20/30/40-55/70-B-20
为何液压系统要试压
为何液压系统要试压?其实液压系统试压的目的主要是检查系统、回路的漏油和耐压强度。系统的试压一般都采取分级试验,每升一级,检查一次,逐步升到规定的试验压力。这样可避免事故发生。
试验压力的选择:中、低压应为系统常用工作压力的l.5~2倍,高压系统为系统最大工作压力的1.2~1.5倍;在冲击大或压力变化剧烈的回路中,其试验压力应大于尖峰压力;对于橡胶软管,在1.5~2倍的常用工作压力下应无异常变形,在2~3倍的常用工作压力下不应破坏。
提醒大家液压系统试压时,应注意以下事项。
①试验时,必须注意安全措施。
②试压时,系统的安全阀应调到所选定的试验压力值。
③液压系统中出现不正常声响时,应立即停止试验,待查出原因并排除后,再进行试验。
④在向系统供油时,应将系统放气阀打开,待其空气排除干净后,方可关闭,同时将节流阀打开。
⑤按设计要求的工作压力进行调节,要逐渐升压,并按操作规程办事。

关于液压油在运转调试中的温度问题,,要十分注意,一般的液压系统最合适温度为40~50℃,在此温度下工作时液压元件的效率最高,油液的抗氧化性处于最佳状态。如果工作温度超过80℃,油液将被早期劣化(每上升10℃,油的劣化速度增加2倍),还将引起黏度降低,润滑性能变差,油膜容易破坏,液压件容易烧伤等。因此液压油的工作温度不宜超过70~80℃,当超过这一温度时,应停机冷却或采取强制冷却措施。
在环境温度较低的情况下,运转调试时,由于油的黏度增大,压力损失和泵的噪声增加,效率降低,同时也容易损伤元件,当环境温度在10℃以下时,属于危险温度,为此要采取预热措施,并降低溢流阀的设定压力,使油泵负荷降低,当油温升到10℃以上时再进行正常运转。





50T-07-FR大轴22.2,50T-07-FR小轴19.05,50T-12-FR大轴22.2,50T-12-FR小轴19.05
50T-14-FR大轴22.2,50T-14-FR小轴19.05,50T-17-FR大轴22.2,50T-17-FR小轴19.05
50T-20-FR大轴22.2,50T-20-FR小轴19.05,50T-23-FR大轴22.2,50T-23-FR小轴19.05
50T-26-FR大轴22.2,50T-26-FR小轴19.05,50T-30-FR大轴22.2,50T-30-FR小轴19.05
50T-36-FR大轴22.2,50T-36-FR小轴19.05,50T-39-FR大轴22.2,50T-39-FR小轴19.05
50T-43-FR大轴22.2,50T-43-FR小轴19.05
A100-FR04HBS/FR04HAS-A-60399/60366,A100-FR04HS-60,
A145-FR04HBS/FR04HAS-A-60366,A145-FR04HS-60
A16-F-R-01-B-K-32,A16-F-R-01-C/H/B-K-32,A16-F-R-01-C-K-32,A16-F-R-01-H-K-32
A22-F-R-01-B-K-32,A22-F-R-01-C-K-32,A22-F-R-01-H/B-K-32,A22-F-R-01-H-K-32
A37-F-R-01-B/C-K-32,A37-F-R-01-B-K-32,A37-F-R-01-C/H-K-32,A37-F-R-01-C-K-32
A37-F-R-01-H-K-32,A37-F-R-04-H-K-32393
A3H100-F(L)-R(L),A3H145-F(L)-R(L),A3H16-F(L)-R(L),A3H180-F(L)-R(L),A3H37-F(L)-R(L)
A3H56-F(L)-R(L),A3H71-F(L)-R(L)
A3HG100-F(L)-R(L),A3HG145-F(L)-R(L),A3HG16-F(L)-R(L),A3HG180-F(L)-R(L),A3HG37-F(L)-R(L)
A3HG56-F(L)-R(L),A3HG71-F(L)-R(L)
A45-F-R-04-H-K-32393,A56/A45/A37,A56-F-R-04-H-K-32393,A70-FR04HBS-A,A70-FR04HS-60
A70-FRO4HAS-A,A90-FR04HBS/FR04HAS-A-60366,A90-FR04HS-60
AR16-FR01B-20,AR16-FR01B-22,AR16-FR01BS-22,AR16-FR01C-20,AR16-FR01C-22
AR16-FR01CS-22,AR16-FRO1BS-2223
AR22-FR01B-20,AR22-FR01B-22,AR22-FR01BS-22,AR22-FR01C-20,AR22-FR01C-22,AR22-FR01CS-22
ARL1-12-FR01A-10,ARL1-12-FR01S-10,ARL1-16-FR01A-10,ARL1-16-FR01S-10,ARL1-6-FR01A-10
ARL1-6-FR01S-10,ARL1-8-FR01A-10,ARL1-8-FR01S-10
PV2R11/R12/R13/R14
PV2R1-10-F-RAA-43,PV2R1-12-F-RAA-43,PV2R1-14-F-RAA-43,PV2R1-17-F-RAA-43,PV2R1-19-F-RAA-43
PV2R12-10-26-F-REAA-42,PV2R12-10-41-F-REAA-42,PV2R12-10-47-F-REAA-42
PV2R12-10-53-F-REAA-42,PV2R12-10-59-F-REAA-42,PV2R12-10-65-F-REAA-42,PV2R12-10-75-F-REAA-42
PV2R12-14-33-F-REAA-4326,PV2R12-14-33-F-REAR-43,PV2R12-25-33,PV2R12-25-41,PV2R12-25-47
PV2R12-25-53,PV2R12-25-59,PV2R12-25-65,PV2R12-25-75,PV2R12-28-33,PV2R12-28-41,PV2R12-28-47
PV2R12-28-53,PV2R12-28-59,PV2R12-28-65,PV2R12-28-75,PV2R1-23-F-RAA-43,PV2R1-25-F-RAA-43
PV2R12-6-26-F-REAA-42,PV2R12-6-33-F-REAA-42,PV2R12-6-41-F-REAA-42,PV2R12-6-47-F-REAA-42
PV2R12-6-53-F-REAA-42,PV2R12-6-59-F-REAA-42,PV2R12-6-65-F-REAA-42,PV2R12-6-75-F-REAA-42
PV2R12-8-26-F-REAA-42,PV2R12-8-41-F-REAA-42,PV2R12-8-53-F-REAA-42,PV2R12-8-59-F-REAA-42
PV2R12-8-65-F-REAA-42,PV2R12-8-75-F-REAA-42,PV2R1-28-F-RAA-43
PV2R13-10-76-L-LRAL-43,PV2R13-10-76-L-RAAA-40,PV2R13-12-76-L-RAAA-40
PV2R13-14-76-L-RAAA-40,PV2R13-17-76-L-RAAA-40,PV2R13-19-76-L-RAAA-40
PV2R1-31-F-RAA-43
PV2R13-23-76-L-RAAA-40,PV2R13-25-76-L-RAAA-40,PV2R13-31-76-L-RAAA-40
PV2R13-6-76-L-RAAA-40,PV2R13-8-76-L-RAAA-40
PV2R1-6-F-RAA-43,PV2R1-8-F-RAA-43
PV2R2-26-F-R,PV2R23/R24/R33/R34,PV2R2-33-F-R
PV2R23-47-94-F-REAA-41,PV2R23-53/66-F-REAA-41
PV2R2-41-F-R,PV2R2-47-F-R,PV2R2-53-F-R,PV2R2-59-F-R,PV2R2-65-F-R,PV2R2-75-F-R
PV2R34-116-237-F-REAA-31,PV2R34-116-237-F-RGAL-31,PV2R34-116-237-F-RHAR-31
PV2R34-52-184-F-RAAA-31
PV2R3-94-F-RAAA
PV2R4-200-F-RAA-30,PV2R4-200-F-RAB-30,PV2R4-200-F-RAL-30,PV2R4-200-F-RAR-30
PV2R4-237-F-RAB-30,PV2R4-237-F-RAL-30,PV2R4-237-F-RAR-30
PVR50FF-13-RAA-31,PVR50FF-20-RAA-31,PVR50FF-23-RAA-31,PVR50FF-26-RAA-31
PVR50FF-30-RAA-31,PVR50FF-36-RAA-31,PVR50FF-39-RAA-31
S-PV2R2/R3/R4/R12/R34,S-PV2R2-53-F-RAA-45
SVPF-12-20-20,SVPF-12-35-20,SVPF-12-55-20,SVPF-12-70-20
SVPF-15-20-20,SVPF-15-35-20,SVPF-15-55-20,SVPF-15-70-20
SVPF-20-20-20,SVPF-20-35-20,SVPF-20-55-20,SVPF-20-70-20
SVPF-30-20-20,SVPF-30-35-20,SVPF-30-55-20,SVPF-30-70-20
SVPF-40-20-20,SVPF-40-35-20,SVPF-40-55-20,SVPF-40-70-20
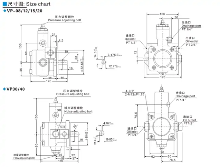
VP-08-FA3,VP-12-FA3,VP-15-FA3,VP-15-FA3(花键7齿),VP-15-FA3(花键9齿)
VP-20-FA3,VP-20-FA3(花键7齿),VP-20-FA3(花键9齿),VP-30-FA3
VP-30-FA3(花键9齿),VP-40-FA3,VP-40-FA3(花键9齿)
VPSM-PSFO-16AR-20,VPSM-PSFO-9BR-20
DG-01 DG-02 DT-01 DT-02 BG-03 BG-06 BG-10
BT-04 BT-06 BT-10
BG/BT-03/06/10 BT-03 BT-04 BT-06 BT-10
BSG-03/06/10 BSG-2P/BST-2P-03/06/10
BSG-03 BSG-06 BSG-10 BSG-03-*-2P BSG-06-*-2P
SBG-03 SBG-06 SBSG-03 SBSG-06 SBSG-10 SBG-03/06/10 SBSG-03/06/10
SBG-03-B SBG-03-C SBG-03-H SBG-03-2H SBG-06-B SBG-06-C SBG-06-H SBG-06-2H SBG-06-H-K05
BST-03-2PN-B BST-03-2PN-C BST-03-2PN-H BST-03-2PN-2H BST-06-2PN-B BST-06-2PN-C
BST-06-2PN-H BST-06-2PN-2H BST-10-2PN-B BST-10-2PN-C BST-10-2PN-H BST-10-2PN-2H
H型压力控制阀、HC型压力控制阀
HG-03 HG-06 HG-10 HCG-03 HCG-06 HCG-10 HCT-06
HG/HT-03/06/10
减压阀、单向减压阀
RG-03 RG-06
RT-03 RT-03/04/06/10
RCT-03 RCT-03 RCT-06 RCT-10 RCT-03/06/10
RCG-03/06/10 RCG-03 RCG-06 RG-03/06/10
液控单向阀
CPDG-03 CPDG-06 CPDG-10
CPDT-03 CPDT-06 CPDT-10
CPDF-10 CPDF-16
电液换向阀
DSHG-04 DSHG-04-AB DSHG-06
DSHG-06-AB
DSHG-10 DSHG-10-AB
DSHG-2B*-03/04/06/10 DSHG-3C*-03/04/06/10
顺序阀
HCG-03 HCG-06 HCG-10
HCG-03/06/10
HCT-03/04/06/10
DSG-01-2B2-D24,DSG-01-2D2-D24,DSG-01-3C2-A220-DL,DSG-01-3C2-A220-LW,
DSG-01-3C2-D24-DL,DSG-01-3C2-D24-LW,DSG-01-3C3-A220-DL,DSG-01-3C3-A220-LW,
DSG-01-3C3-D24-DL,DSG-01-3C3-D24-LW,DSG-01-3C4-A220-DL,DSG-01-3C4-A220-LW,
DSG-01-3C4-D24-DL,DSG-01-3C4-D24-LW,DSG-01-3C5-D24-DL,DSG-01-3C5-D24-LW,
DSG-01-3C6-A220-DL,DSG-01-3C6-A220-LW,DSG-01-3C6-D24-DL,DSG-01-3C6-D24-LW,
DSG-02-2B2-DL,DSG-02-2B2-DL-AC24,DSG-02-3C2-D24-DL,DSG-02-3C2-DL,DSG-02-3C3-DL,
DSG-02-3C4-DL,DSG-02-3C60-DL,DSG-02-3C60-DL-R220,DSG-03-2B2-DL,DSG-03-2B2-DL-A220,
DSG-03-2B2-DL-A220V,DSG-03-2B2-DL-D24,DSG-03-2B2-DL-D24V,DSG-03-2B2-LW-A220,
DSG-03-2B2-LW-D24,DSG-03-2B3-DL-A220,DSG-03-2B3-DL-D24,DSG-03-2B3-LW-A220,
DSG-03-2B3-LW-D24,DSG-03-2D2-DL-A220,DSG-03-2D2-DL-D24,DSG-03-2D2-LW-A220,
DSG-03-2D2-LW-D24,DSG-03-3C2-D24,DSG-03-3C2-DL,DSG-03-3C2-DL-A220,
DSG-03-3C2-DL-A220V,DSG-03-3C2-DL-D24,DSG-03-3C2-DL-D24V,DSG-03-3C2-LW-A220,
DSG-03-3C2-LW-D24,DSG-03-3C3-DL,DSG-03-3C3-DL-A220V,DSG-03-3C3-DL-D24V,
DSG-03-3C4-D24,DSG-03-3C4-DL,DSG-03-3C4-DL-A220,DSG-03-3C4-DL-A220V,
DSG-03-3C4-DL-D24,DSG-03-3C4-DL-D24V,DSG-03-3C4-LW-A220,DSG-03-3C4-LW-D24,
DSG-03-3C5-DL-A220V,DSG-03-3C5-DL-D24V,DSG-03-3C60-DL,DSG-03-3C60-DL-A220V,
DSG-03-3C60-DL-D24V,DSG-03-3C6-DL-A220,DSG-03-3C6-DL-A220V,DSG-03-3C6-DL-D24,
DSG-03-3C6-DL-D24V,DSG-03-3C6-LW-A220,DSG-03-3C6-LW-D24,DSG-G03-2B2-DL-AC220V,
DSG-G03-2B2-DL-DC24V,DSG-G03-2B3-DL-AC220V,DSG-G03-2B3-DL-DC24V,
DSG-G03-2B60-DL-AC220V,DSG-G03-2B60-DL-DC24V,DSG-G03-2B8-DL-AC220V,
DSG-G03-2B8-DL-DC24V,DSG-G03-3C2-DL-AC220V,DSG-G03-3C2-DL-DC24V,
DSG-G03-3C3-DL-AC220V,DSG-G03-3C3-DL-DC24V,DSG-G03-3C4-DL-AC220V,
DSG-G03-3C4-DL-DC24V,DSG-G03-3C60-DL-AC220V,DSG-G03-3C60-DL-DC24V
SW-G02-04-A220-50
MSA-01-X-50,MSA-01-Y-50,MSA-02-X-50,MSA-02-Y-50,MSA-03-X-50,MSA-03-Y-50,
MSA-04-X-50,MSA-06-X-50,
MSB-01-X-50,MSB-02-X-50,MSB-03-X-50,MSB-04-X-50,MSB-06-X-50,
MSW-01-X-50,MSW-01-Y-50,MSW-02-X-50,MSW-02-Y-50,MSW-03-X-50,MSW-03-Y-50,
MSW-04-X-50,MSW-06-X-50
★★★▼叠加式减压阀▼★★★
MRA-01-C-30,MRA-01-H-30,MRA-03-C-30,MRA-03-H-30,MRA-04-C-10,MRA-04-H-10,
MRA-06-C-30,MRA-06-H-30,
MRB-01-C-30,MRB-01-H-30,MRB-03-C-30,MRB-03-H-30,MRB-04-C-10,MRB-04-H-10,
MRB-06-C-30,MRB-06-H-30,
MRP-01-C-30,MRP-01-H-30,MRP-03-C-30,MRP-03-H-30,MRP-04-C-10,MRP-04-H-10,
MRP-06-C-30,MRP-06-H-30
★★★▼叠加式液控单向阀▼★★★
MPA-01-2-40,MPA-01-4-40,MPA-03-2-20,MPA-03-4-20,MPA-04-2-10Y,MPA-04-4-10Y,
MPA-06-2-30,MPA-06-4-30,
MPB-01-2-40,MPB-01-4-40,MPB-03-2-20,MPB-03-4-20,MPB-04-2-10Y,MPB-04-4-10Y,
MPB-06-2-30,MPB-06-4-30,
MPW-01-2-40,MPW-01-4-40,MPW-03-2-20,MPW-03-4-20,MPW-04-2-10Y,MPW-04-4-10Y,
MPW-06-2-30,MPW-06-4-30
★★★▼叠加式溢流阀▼★★★
MBA-01-C-30,MBA-01-H-30,MBA-03-C-30,MBA-03-H-30,MBB-01-C-30,MBB-01-H-30,MBB-03-C-30,
MBB-03-H-30,MBP-01-C-30,MBP-01-H-30,MBP-03-C-30,MBP-03-H-30,MBW-01-H-30,MBW-03-C-30,
MBW-03-H-30
本文由苏州逐利机电整理发布,如需转载请浏览来源及出处,原文地址:http://www.tw-joly.com/yyyb/326.html






留言信息