SUNWAY叠加式减压阀EG-031/210/V/B EG-033/210/V/B EG-034










DEO-0B1/2A-24DC
DEO-0B31/2-24DC
DEO-0C10-24DC
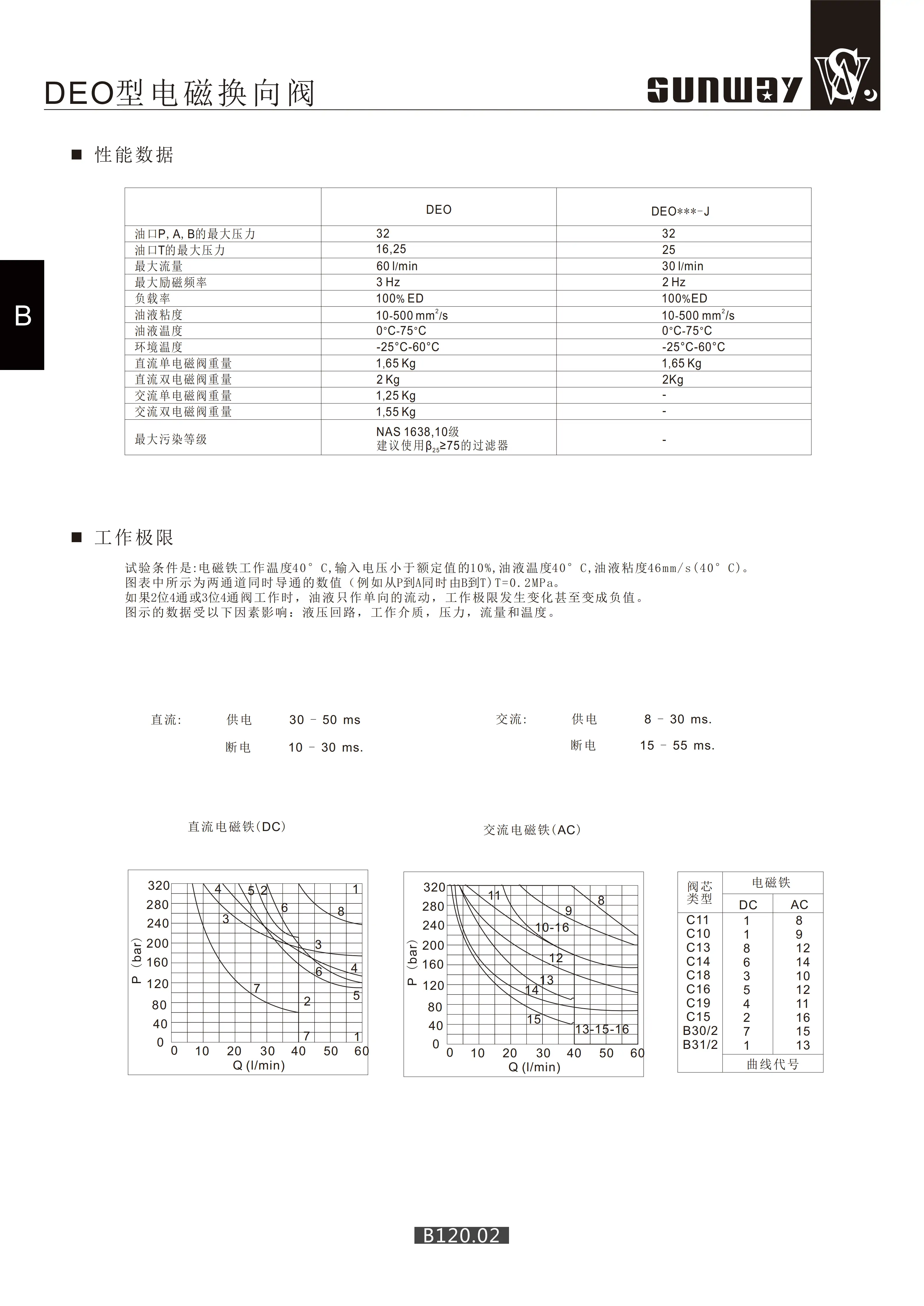
DEO-0C11-24DC
DEO-0C13-24DC
DEO-0C14-24DC
DEO-0C15-24DC
DEO-0C16-24DC
DEO-0C51/2-24DC
DEO-0C51/2-24DC
DFO-1C10-24DC
DFO-1C10-24DC HY
DHO-0B31/2-* 12V/24V线圈
DHO-0C11-* 12V/24V线圈
DHO-0C13-* 12V/24V线圈
DHO-0C14-* 12V/24V线圈
DLKZOR-TEB-SN-NP-140
SPRM6-A-0B1-S5/24
SPRM6-A-0C1-S3/24
SWRPEH10-C4B-100L-G24/A1

EG-031 是直动式电液比例溢流阀(小流量先导型),属液压比例压力控制元件,用于小流量系统连续压力调节、远程压力信号控制、多级压力无级切换,常作为先导阀搭配大流量主溢流阀使用。
一、型号释义
- EG:系列代号,直动式电液比例溢流阀
- 03:通径规格 DN10(NG10),板式 / 管式通用安装
- 1:压力等级 / 控制形式代号(标准型,调压范围 0.5~21.0 MPa)
二、核心技术参数(标准型)
| 参数 | 数值 | 备注 |
| 结构形式 | 直动式、比例电磁控制、锥面密封 | 无主阀,电磁铁直接驱动阀芯 |
| 最高工作压力 | 21.0 MPa(210 bar) | 连续可调上限 |
| 最大流量 | 2 L/min | 小流量,仅作先导 / 小系统 |
| 调压范围 | 0.5~21.0 MPa | 电流 0~800mA 线性对应 |
| 控制方式 | 比例电磁铁(DC24V) | 输入电流→压力线性输出 |
| 额定电流 | 800 mA(DC24V) | 线圈电阻约 10 Ω |
| 滞环 / 重复性 | ≤3% / ≤1% | 需配专用比例放大器 |
| 适用介质 | ISO VG 32/46 抗磨液压油 | 清洁度 ≤NAS 8 级 |
| 工作油温 | -20℃~+80℃ | 氟橡胶密封可达 + 100℃ |
| 安装方式 | 板式(ISO 4401-03)/ 管式(G1/4") | 可选安装形式 |
| 油口螺纹 | P/T 口:G1/4" | 小口径,适配先导油路 |
| 重量 | 约 1.2 kg | 含比例电磁铁 |
三、结构与工作原理
1. 主要结构
- 阀体:高强度铝合金 / 铸铁,集成 P(进油)、T(回油)口
- 锥阀芯:硬质合金锥面,与阀座密封,弹簧复位
- 比例电磁铁:DC24V,推力与输入电流成正比
- 调压弹簧:平衡电磁铁推力,决定压力 - 电流曲线
- 密封件:NBR 丁腈橡胶(氟橡胶可选,适配磷酸酯油液)
2. 工作原理(电流 - 压力线性控制)
- 无电流状态(0 mA) 电磁铁无推力,弹簧将锥阀芯压在阀座上,阀关闭,P 口压力由负载决定(≤21 MPa)。
- 有电流状态(0~800 mA) 电磁铁通电产生推力,克服弹簧力推开锥阀芯,P 口油液经阀芯间隙溢流回 T 口;输入电流越大→电磁铁推力越大→阀芯开度越小→溢流阻力越大→P 口压力越高,实现电流与压力的线性比例控制。
- 先导控制应用 P 口接主溢流阀遥控口,T 口回油箱;通过调节 EG-031 的电流,远程无级控制主阀溢流压力,实现大流量系统的柔性压力调节。
四、性能特点
- ✅ 线性度高:压力 - 电流线性误差≤±1%,控制精度高。
- ✅ 小流量高压:2 L/min 小流量、21 MPa 高压,适配先导控制。
- ✅ 响应快:频率响应≥50 Hz,动态响应迅速。
- ✅ 低泄漏:锥面密封,内泄≤0.1 mL/min(21 MPa)。
- ✅ 安装灵活:板式 / 管式双安装,适配狭小空间。
五、选型要点
- 通径匹配:03 通径(DN10),流量≤2 L/min,仅用于先导油路或小流量系统。
- 调压范围:标准型 0.5\21.0 MPa;低压型 0.3\7.0 MPa(EG-031B)可选。
- 电气配置:DC24V/800 mA,需配专用比例放大器(0\10V/4\20mA 信号输入)。
- 介质适配:普通液压油用 NBR 密封;磷酸酯介质需定制氟橡胶密封。
六、常见故障与排除
| 故障 | 原因 | 对策 |
| 压力无调节(始终高压) | 电磁铁故障、阀芯卡滞、无电流 | 检查电磁铁、清洗阀体、排查放大器 |
| 压力波动大、噪声高 | 油液脏、阀芯磨损、弹簧疲劳 | 更换液压油、研磨锥面、更换弹簧 |
| 压力上不去(溢流早开) | 电磁铁推力不足、线圈老化 | 检查线圈电阻、更换电磁铁 |
| 外泄口漏油 | 密封件老化、O 型圈损坏 | 更换 NBR / 氟橡胶密封件 |
七、典型应用
- 液压站:大流量主溢流阀的远程先导控制,实现无级调压。
- 机床设备:精密液压系统压力闭环控制(如注塑机、液压试验机)。
- 工业自动化:电液比例控制系统压力信号转换(电信号→液压压力)。
- 小流量系统:小型液压设备的直接压力控制(如液压夹具、微型泵站)。
本文由苏州逐利机电整理发布,如需转载请浏览来源及出处,原文地址:http://www.tw-joly.com/yyf/816.html






留言信息