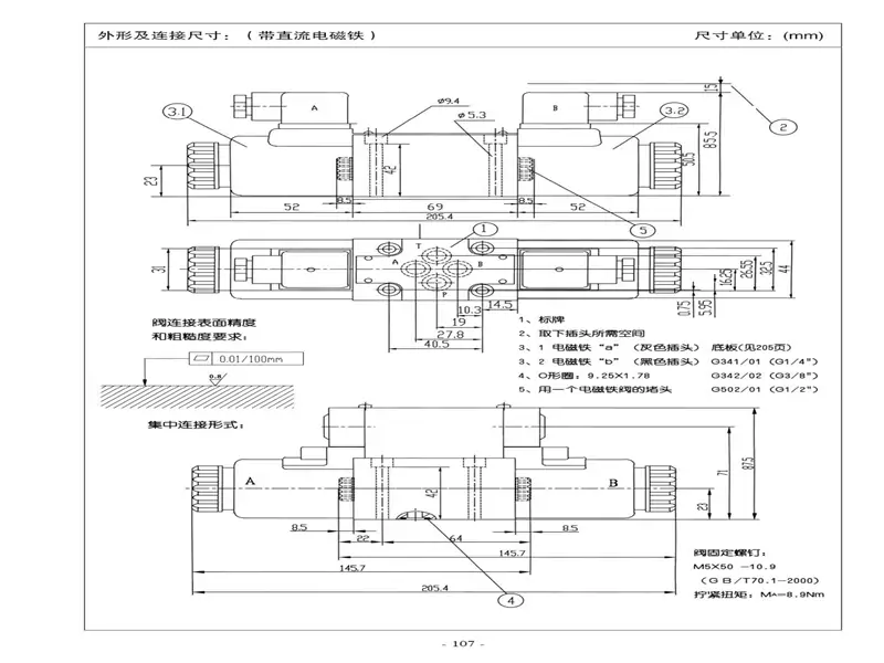
台湾SSAN液压泵 叶片泵 柱塞泵 SSAN液压阀 电磁溢流阀




SRCG-10,SRCT-10,SRCG-03,SRCG-06,SRCT-06,SRCT-03
SSA-02-3C2-A220 SSA-02-3C3-A220 SSA-02-3C4-A220 SSA-02-3C5-A220
SSA-02-3C6-A220 SSA-02-3C60-A220 SSA-02-3C40-A220 SSA-02-2D2-A220
SSA-02-3C7-A220 SSA-02-3C8-A220 SSA-02-3C9-A220 SSA-02-3C10-A220
SSB-02-3C2-A220 SSB-02-3C3-A220 SSB-02-3C4-A220 SSB-02-3C5-A220
SSB-02-3C6-A220 SSB-02-3C60-A220 SSB-02-3C40-A220 SSB-02-2D2-A220
SSB-02-3C7-A220 SSB-02-3C8-A220 SSB-02-3C9-A220 SSB-02-3C10-A220
SSA-02-2B2-A220 SSA-02-2B3-A220 SSA-02-2B8-A220 SSA-02-2B2B-A220
SSB-02-2B2-A220 SSB-02-2B3-A220 SSB-02-2B8-A220 SSB-02-2B2B-A220
SSB-02-3C4 SSB-02-3C2-AC220V SSB-02-2B3B-AC220V SSB-02-2B2B-AC110V
SSA-02-3C4 SSB-1-3C40-A110 SSB-02-3C6-A110 SSB-1-3C3-A110 SSB-1-2B40-A110
SSAN油压阀SSA-02-3C5-A220 SSA-02-3C6-A220
SSB-02-2D2-A110 SSB-02-B2-A110 SSB-02-C4 SSB-03-B2 SSB-03-C2-A110
SSB-02-3C40-A110 SSB-02-3C6-A110 SSB-02-3C7-A110 SSB-02-3C3-A110
SSB-02-2B3-A110 SSB-02-2D3-A110 SSB-02-2D2-A110 SSB-02-3C2-D24
SSB-02-3C4-AC220V SSB-02-3C4-D24 SSB-02-2B3B-D24V SSA-02-C4-A110
SSA-02-3C2-AC220V SSB-02-3C8-A110 SSA-02-2B3B-AC220V SSA-02-C4-D24
SSA-1-3C40-DC24V SSA-1-3C6-DC24V SSB-1-3C3-DC24V SSB-1-2B40-DC24V
SSA-02-B2-DC24V SSA-02-C4-DC24V SSA-03-B2-DC24V SSA-03-C2-DC24V
SSA-02-3C40-D24 SSA-02-3C6-DC24V SSA-02-3C7 SSA-02-3C3 SSA-02-3C8-D24
SSA-02-2B3-D24 SSA-02-2D3-DC24V SSA-02-2D2-D24 SSA-02-3C2-D24
SSA-02-3C4-AC220V SSA-02-3C4-D24 SSA-02-2B3B-D24V SSB-02-3C4-DC24V
液压系统压力、流量参数确定
液压系统参数设计计算的任务,是在初步确定液压系统的结构方案的基础上,确定系统的主参数:工作压力和最大流量,从而确定执行元件和液压泵的形式和规格。
一、执行元件的工作压力
为保证液压泵具有较高的工作效率,又有一定的压力储备,一般取液压系统的工作压力pp为液压泵额定压力的(0.85 -1)倍,考虑管路及液压阀的压力损失,执行元件的工作压力p应小于系统的工作压力pp,初步设计时可取pp= 1.1p。工作压力的大小,关系到所涉及的系统是否经济合理。压力选得越低,则结构尺寸(如工作缸活塞面积)越大,重量大,系统所需流量也大;压力选得偏高,则对元件的制造精度、密封性能和系统的使用维护要求也提高,并使容积效率降低。

二、执行元件的最大流量
执行元件的最大流量与执行元件的结构参数(液压缸的有效工作面积A或液压马达的排量VM)和运动速度有关,因此在A或VM确定后才能确定qmax。
液压缸的有效工作面积A必须满足最大负载力F要求,此外还需满足流量控制阀最小稳定流量qvmin的要求。因此需要对有效工作面积A进行试算和验算,直到满足要求为止。在计算时,要考虑密封件尺寸和有关标准对缸径进行圆整。
确定液压马达的排量时要考虑满足负载转矩T的要求,并连同选定的工作压力p一起进行圆整后,确定液压马达的规格。必要时(如容积节流调速时)还须按马达最低转速nmin的要求对液压马达的排量进行验算。
当液压系统的负载力确定之后,液压系统工作压力和最大流量就变成了两个互相依赖的因素,提高液体工作压力可以减少流量,增大液体流量可以减少系统工作压力,选择计算时要综合考虑。
本文由苏州逐利机电整理发布,如需转载请浏览来源及出处,原文地址:http://www.tw-joly.com/chanpin/340.html






留言信息